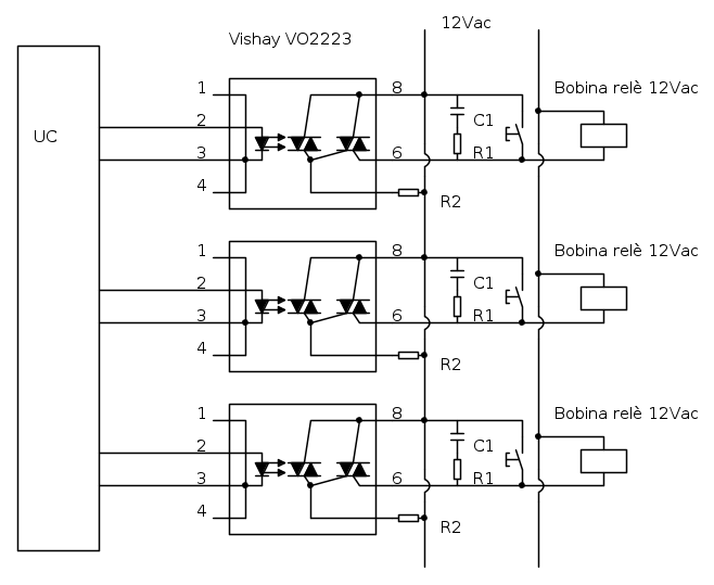
Comando relè con fototriac
Ciao a tutti,
ho qualche problema con questo circuito che ho realizzato per comandare dei relè passo-passo finder 26.01 12VAC.
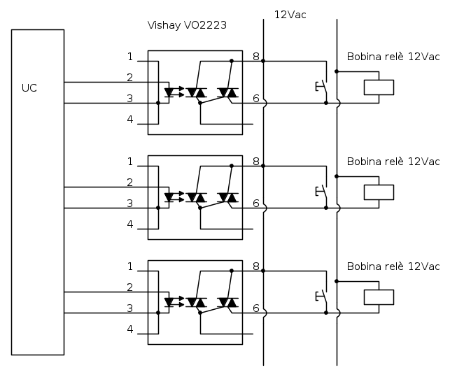
La parte logica UC è praticamente pierin con un mm5450, che con degli impulsi di 1 secondo comanda i fototriac (vishay vo2223), che a loro volta comandano i relè.
Purtroppo c'è qualche problema i relè commutano il loro stato in maniera casuale, del tipo se arriva un impulso al primo può succedere che insieme a lui commuti anche il secondo o cose del genere.
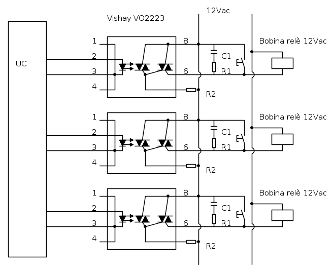
ho provato anche a scollegare l'unità di controllo visto che i relè possono essere eccitati anche da dei pulsanti e il problema persiste, solo se rimuovo i fototriac i relè funzionano bene.
Avete qualche consiglio?
Grazie a tutti Ivo
ho qualche problema con questo circuito che ho realizzato per comandare dei relè passo-passo finder 26.01 12VAC.
La parte logica UC è praticamente pierin con un mm5450, che con degli impulsi di 1 secondo comanda i fototriac (vishay vo2223), che a loro volta comandano i relè.
Purtroppo c'è qualche problema i relè commutano il loro stato in maniera casuale, del tipo se arriva un impulso al primo può succedere che insieme a lui commuti anche il secondo o cose del genere.
ho provato anche a scollegare l'unità di controllo visto che i relè possono essere eccitati anche da dei pulsanti e il problema persiste, solo se rimuovo i fototriac i relè funzionano bene.
Avete qualche consiglio?
Grazie a tutti Ivo


