7812 e mje2955
Salve a tutti.
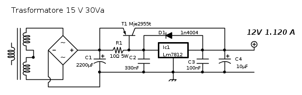
Avrei la necessità di alimentare 2 ventole a 12V che hanno un'assorbimento di targa di 450mA l'una, quindi avevo pensato ad un 7812 con un pnp, girando ho trovato uno schema dal datasheet della Fairchild Fig13, dove vieni indicata anche la formula per trovare R1:

mentre la Potenza della resistenza dovrebbe essere :

Detto questo, ecco cosa avrei scaturito, dallo schema del datasheet ho aggiunto C1,C4 e D1 :
Non penso di avere bisogno di protezione da corto circuito dato che il tutto sarà montato e chiuso da una parte.
La scelta del transistor e della resistenza da 5W sono dati solo dal fatto che ne sono gia in possesso.
La cosa che Gentilmente chiederei, è un parere e/o eventuali errori prima d'iniziare a saldare e fare, per poi dovermi trovare a problemi dati da un mio errore.
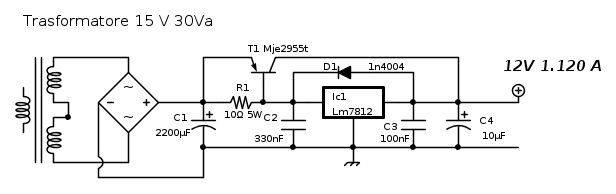
Avrei la necessità di alimentare 2 ventole a 12V che hanno un'assorbimento di targa di 450mA l'una, quindi avevo pensato ad un 7812 con un pnp, girando ho trovato uno schema dal datasheet della Fairchild Fig13, dove vieni indicata anche la formula per trovare R1:

mentre la Potenza della resistenza dovrebbe essere :

Detto questo, ecco cosa avrei scaturito, dallo schema del datasheet ho aggiunto C1,C4 e D1 :
Non penso di avere bisogno di protezione da corto circuito dato che il tutto sarà montato e chiuso da una parte.
La scelta del transistor e della resistenza da 5W sono dati solo dal fatto che ne sono gia in possesso.
La cosa che Gentilmente chiederei, è un parere e/o eventuali errori prima d'iniziare a saldare e fare, per poi dovermi trovare a problemi dati da un mio errore.
