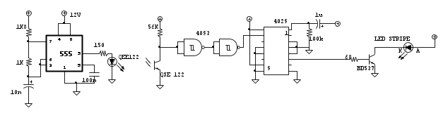
Problema disturbi teleruttori
Ciao a tutti, ho un problema su un circuito che si occupa di accendere e spegnere dei led.
Il problema è causato da disturbi all'accesione di un forno (teleruttori, contattori) che si ripercuotono sull'accensione e spegnimento dei led. In sostanza, nel momento in cui si interrompre in fascio IR, viene generato un fronte che porta a commutare l'uscita del contatore.
In parallelo all'alimentazione è inserito un elettrolitico da 2700 uF, in parallelo all'alimentazione di ogni IC un ceramico da 100 nF, che evindentemente non bastano a risolvere il problema.
Allego lo schema del circuito:
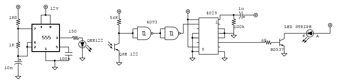
Il problema è causato da disturbi all'accesione di un forno (teleruttori, contattori) che si ripercuotono sull'accensione e spegnimento dei led. In sostanza, nel momento in cui si interrompre in fascio IR, viene generato un fronte che porta a commutare l'uscita del contatore.
In parallelo all'alimentazione è inserito un elettrolitico da 2700 uF, in parallelo all'alimentazione di ogni IC un ceramico da 100 nF, che evindentemente non bastano a risolvere il problema.
Allego lo schema del circuito:
