Risposta (in continua?) circuito
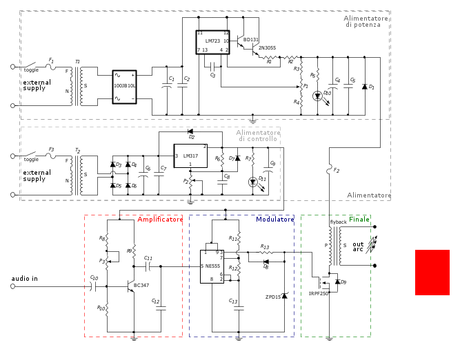
Salve a tutti. In questo momento ho la necessità di identificare, o al limite avere anche solo una stima ragionevole, le correnti, tensioni e potenze su ogni componente (al fine di determinarne gli stress a cui sono sottoposti) del seguente circuito alimentato con la tensione di rete.
(il rettangolo rosso in basso a destra non rappresenta niente, l'ho messo per far rientrare tutto il circuito "nel foglio").
Mi chiedevo se qualcuno può cortesemente darmi una mano perché io non so neanche da dove rifarmi.
Il circuito non l'ho pensato io, ma un mio collega sedicente esperto di elettronica (mi sono limitato a digitalizzare e riordinare i suoi scarabbocchi).
Ho provato a chiedere spiegazioni (e le ho anche per iscritto) riguardo i valori da lui trovati, ma queste (ed anche i valori da lui forniti) mi lasciano a dir poco perplesso (anche a causa della mia ignoranza in materia).
Non escludo che lo schema presenti bestialità o oscenità di qualsiasi tipo.
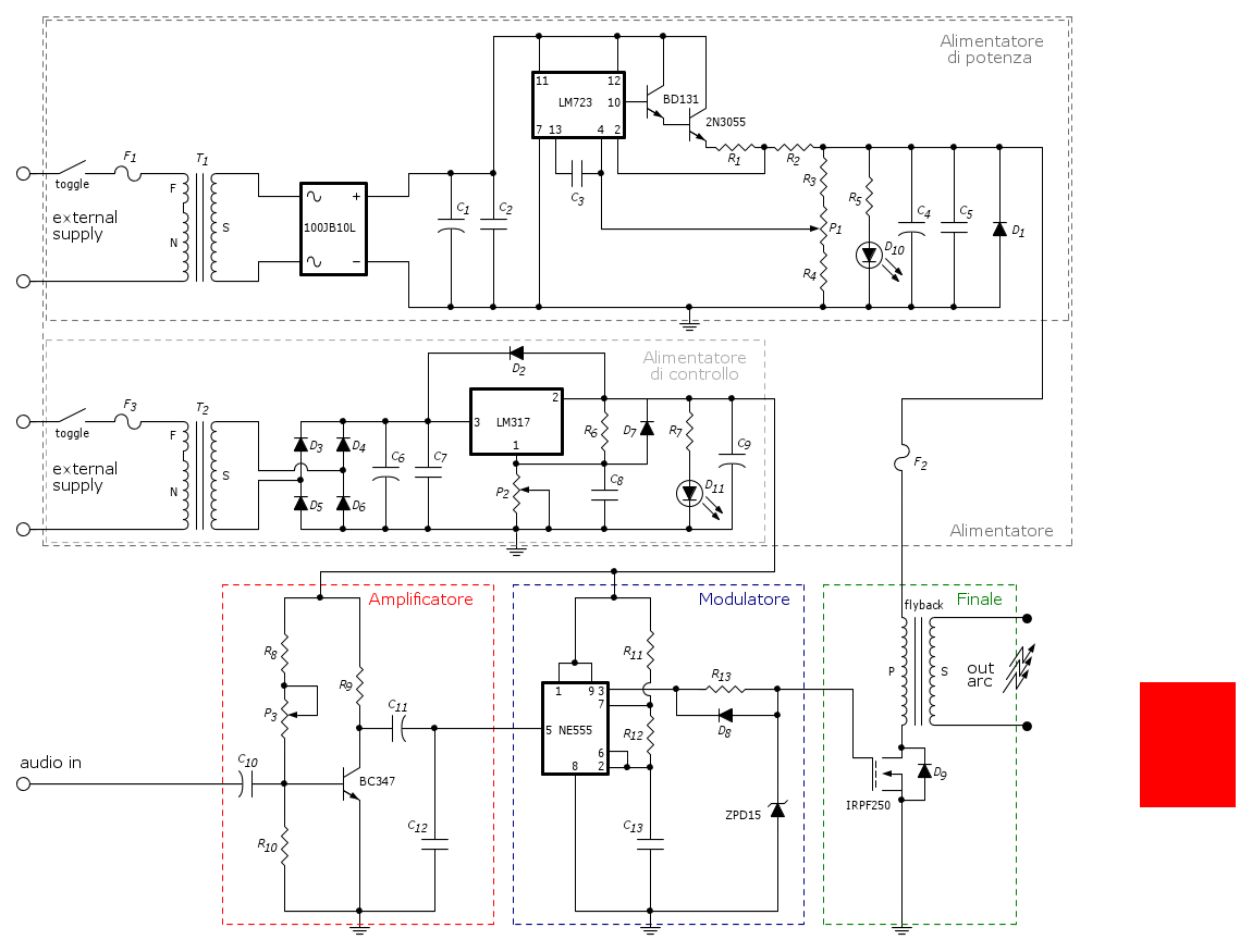
(il rettangolo rosso in basso a destra non rappresenta niente, l'ho messo per far rientrare tutto il circuito "nel foglio").
Mi chiedevo se qualcuno può cortesemente darmi una mano perché io non so neanche da dove rifarmi.
Il circuito non l'ho pensato io, ma un mio collega sedicente esperto di elettronica (mi sono limitato a digitalizzare e riordinare i suoi scarabbocchi).
Ho provato a chiedere spiegazioni (e le ho anche per iscritto) riguardo i valori da lui trovati, ma queste (ed anche i valori da lui forniti) mi lasciano a dir poco perplesso (anche a causa della mia ignoranza in materia).
Non escludo che lo schema presenti bestialità o oscenità di qualsiasi tipo.


