Esercizio circuito con operazionale e diodi
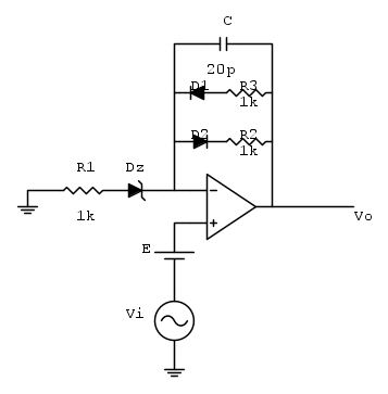
Ho questo circuito con un'operazionale
Mi viene chiesto il punto di lavoro e il funzionamento dei diodi per E=+5V ed E=-5V e dopo la funzione di trasferimento per E=+5V.
Il dubbio nasce da questo ultimo punto.
Con E=+5V non avrei lo zener spento dato che sul catodo ho una tensione più bassa di quella di funzionamento? Di conseguenza non scorre corrente e quindi
e per completezza avrei acceso D2 e D1 spento.
Quando vado a calcolare la funzione di trasferimento, non girando corrente in, Vo/Vi=1...O ho sbagliato io il punto di lavoro, o il testo chiedeva la funzione per E=-5V. Comunque quando ci gira corrente li dentro.
Mi viene chiesto il punto di lavoro e il funzionamento dei diodi per E=+5V ed E=-5V e dopo la funzione di trasferimento per E=+5V.
Il dubbio nasce da questo ultimo punto.
Con E=+5V non avrei lo zener spento dato che sul catodo ho una tensione più bassa di quella di funzionamento? Di conseguenza non scorre corrente e quindi
e per completezza avrei acceso D2 e D1 spento.Quando vado a calcolare la funzione di trasferimento, non girando corrente in, Vo/Vi=1...O ho sbagliato io il punto di lavoro, o il testo chiedeva la funzione per E=-5V. Comunque quando ci gira corrente li dentro.
