L7805cv per ricaricare cellulari è adeguato?
Ciao a tutti, ho promesso ad un mio amico di aiutarlo a costruirsi un carica cellulare portatile solare (nulla di nuovo).
Gli ho fatto ordinare la componentistica, gli ho disegnato un circuito e ora tocca a lui saldare i vari componenti, trovare un contenitore, ecc (insomma la parte pratica, naturalmente sorvegliato da me).
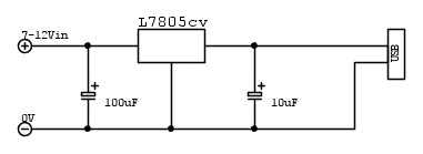
Il progetto consiste in un pannellino che ricarica delle pile AA e successivamente con un L7805cv abbasso la tensione a 5V e possiamo ricaricare utenze tramite USB.
Prima di dare a lui i vari componenti e fargli "eseguire i lavori" tramite una breadboard sto provando l' L7805, ed ho dei risultati pessimi (descritti sotto lo schema)
Ho collegato i componenti secondo questo schema:
Ho collegato il mio cellulare alla USB e misurato la corrente assorbita dal telefono, è solamente di 90-110mA(molto bassa). Nei caricatori normali che si acquistano, durante la carica i cellulari assorbono 0.4/0.6A (e nel giro di 1-2 ore si ricaricano).
Ho sbagliato io qualcosa? Ho sbagliato le capacità dei condensatori elettrolitici?
p.s. ho collegato il mio cellulare ad un LM2596 e impostando la tensione a 5V la corrente assorbita era comunque bassa (circa i soliti 100 mA); ho anche provato ad arrivare al limite di 5.3V ottenendo circa 230mA assorbiti (comunque bassi). Penso che bisogna implementare il circuito elettronico del l7805 postato qui sopra ma non ho idea di come fare, chiedo aiuto a voi
grazie
Gli ho fatto ordinare la componentistica, gli ho disegnato un circuito e ora tocca a lui saldare i vari componenti, trovare un contenitore, ecc (insomma la parte pratica, naturalmente sorvegliato da me).
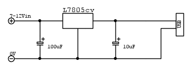
Il progetto consiste in un pannellino che ricarica delle pile AA e successivamente con un L7805cv abbasso la tensione a 5V e possiamo ricaricare utenze tramite USB.
Prima di dare a lui i vari componenti e fargli "eseguire i lavori" tramite una breadboard sto provando l' L7805, ed ho dei risultati pessimi (descritti sotto lo schema)
Ho collegato i componenti secondo questo schema:
Ho collegato il mio cellulare alla USB e misurato la corrente assorbita dal telefono, è solamente di 90-110mA(molto bassa). Nei caricatori normali che si acquistano, durante la carica i cellulari assorbono 0.4/0.6A (e nel giro di 1-2 ore si ricaricano).
Ho sbagliato io qualcosa? Ho sbagliato le capacità dei condensatori elettrolitici?
p.s. ho collegato il mio cellulare ad un LM2596 e impostando la tensione a 5V la corrente assorbita era comunque bassa (circa i soliti 100 mA); ho anche provato ad arrivare al limite di 5.3V ottenendo circa 230mA assorbiti (comunque bassi). Penso che bisogna implementare il circuito elettronico del l7805 postato qui sopra ma non ho idea di come fare, chiedo aiuto a voi
grazie

