Calcolo resistenza di emettitore-amplificatore più stadi
Buonasera ragazzi, vi posto questo esempio che chiede di calcolare la resistenza di emettitore .
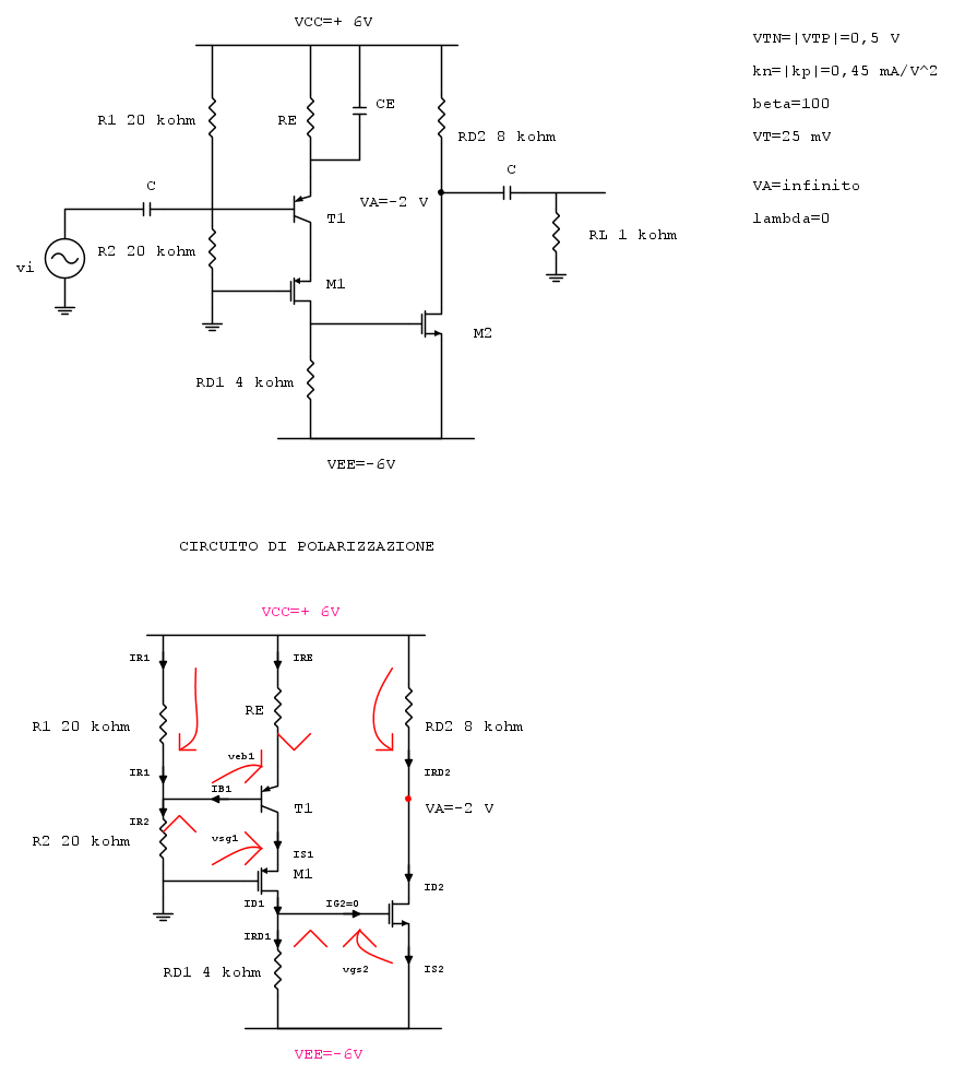
Questo è il circuito e ho ricavato il successivo circuito di polarizzazione,segnalando le tensioni e le correnti:
Per ricavare la resistenza di emettitore, ho pensato di ragionare in tal maniera:
1)Dal circuito (posto sotto) ricavo la corrente che scorre su RD2 e che provoca la caduta di tensione VRD2, cioè applicando il bilancio delle tensioni alla maglia individuata e sfruttando il valore VA=-2V :
ovvero
, ricavo IRD2 come:

2)Ho pensato che questa corrente IRD2 appena calcolata, è uguale alla corrente di drain ID2 dell'Nmos M2 e quindi ho calcolato la VGS2 come:

3)Per poter determinare la resistenza RE sono andato ad osservare tale circuito:
Ho applicato LKT o bilancio delle tensioni a tale maglia:

Ovvero:
Quante incognite ci sono per determinare RE?
1)IR1 e IE1
2)Applicando LKC al nodo , possiamo dire che IR2=IR1+IB1 --> IR1=IR2-IB1
3)Trascuro IB1, IB1=0--> IE1=IC1 e IR1=IR2
4)Quindi riscrivo la resistenza di emettitore RE come:

Come determino la IR2 e la IE1?
5)Posso dire che la corrente di emettitore IE1=IC1=IS1=ID1=1 mA , ricavo VSG1 come:

6)Come ricavo IR2?
Trascurando IB1 ed essendo IG1, possiamo ricavare la corrente IR2 da tale maglia:
Quindi da questa maglia ricavo che:

Ricavo la corrente IR2 come:

Finalmente posso calcolare RE,sostituendo i valori trovati di IR2 e IE1:

Ragazzi volevo sapere se vi trovate con me, perché non ho risultati.
Questo è il circuito e ho ricavato il successivo circuito di polarizzazione,segnalando le tensioni e le correnti:
Per ricavare la resistenza di emettitore, ho pensato di ragionare in tal maniera:
1)Dal circuito (posto sotto) ricavo la corrente che scorre su RD2 e che provoca la caduta di tensione VRD2, cioè applicando il bilancio delle tensioni alla maglia individuata e sfruttando il valore VA=-2V :
ovvero
, ricavo IRD2 come:
2)Ho pensato che questa corrente IRD2 appena calcolata, è uguale alla corrente di drain ID2 dell'Nmos M2 e quindi ho calcolato la VGS2 come:

3)Per poter determinare la resistenza RE sono andato ad osservare tale circuito:
Ho applicato LKT o bilancio delle tensioni a tale maglia:

Ovvero:

Quante incognite ci sono per determinare RE?
1)IR1 e IE1
2)Applicando LKC al nodo , possiamo dire che IR2=IR1+IB1 --> IR1=IR2-IB1
3)Trascuro IB1, IB1=0--> IE1=IC1 e IR1=IR2
4)Quindi riscrivo la resistenza di emettitore RE come:

Come determino la IR2 e la IE1?
5)Posso dire che la corrente di emettitore IE1=IC1=IS1=ID1=1 mA , ricavo VSG1 come:

6)Come ricavo IR2?
Trascurando IB1 ed essendo IG1, possiamo ricavare la corrente IR2 da tale maglia:
Quindi da questa maglia ricavo che:

Ricavo la corrente IR2 come:

Finalmente posso calcolare RE,sostituendo i valori trovati di IR2 e IE1:

Ragazzi volevo sapere se vi trovate con me, perché non ho risultati.




