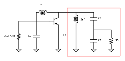
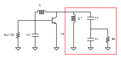
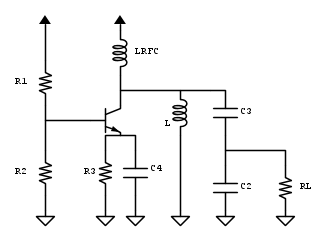
Oscillatore di Pierce
Per oggi è l'ultima domanda, giuro, ma questi argomenti mi stanno mettendo veramente in difficoltà.
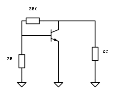
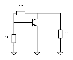
Circuito dinamico:



trascurando le capacità del BJT.
A questo punto la condizione di risonanza è:

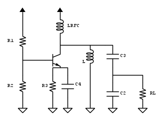
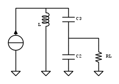
Qui il prof c'ha detto che alla risonanza dalla rete di adattamento vedo una impedenza solo resistiva:
Non riesco a capire perché dovrebbe essere ovvio per dirlo così al volo.
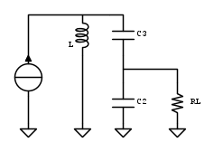
Alla risonanza ho che il segnale (che circola nel circuito chiuso ad anello) vede un corto
, e quindi vale che
, ma perché posso automaticamente dire che vale anche per ogni singola impedenza?
Grazie in anticipo.
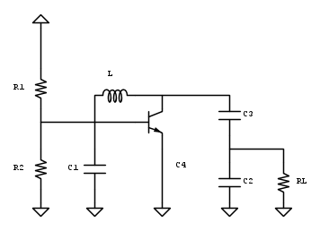
Circuito dinamico:



trascurando le capacità del BJT.
A questo punto la condizione di risonanza è:

Qui il prof c'ha detto che alla risonanza dalla rete di adattamento vedo una impedenza solo resistiva:
Non riesco a capire perché dovrebbe essere ovvio per dirlo così al volo.
Alla risonanza ho che il segnale (che circola nel circuito chiuso ad anello) vede un corto
, e quindi vale che
, ma perché posso automaticamente dire che vale anche per ogni singola impedenza?Grazie in anticipo.





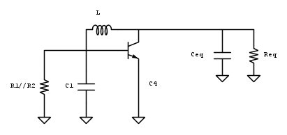
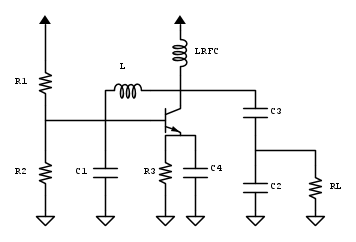
. Già qui: per quale cavolo di motivo, se manco so quanto deve amplificare il BJT? Non è una informazione che dovrei ricavare dopo aver imposto Barchausen?

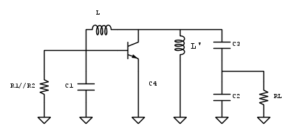
intende questa:
dice che la inserisco io perché mi serve a ottenere una struttura equivalente a quella di Colpitts






