Alimentatore lineare stabilizzato con PNP in Current Sharing
Ciao ragazzi , come da si capisce dal video vorrei realizzare un alimentatore lineare stabilizzato da 10 A con un range da 1,25 a 30 V
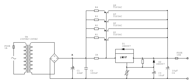
Ora qui sotto metto lo schema che ho fatto con FidoCad.
Allora parto col dire che ho aperto questo topic per avere delle informazioni per dimensionare al meglio le Resistenze in serie all'emettitore e la resistenza IR.
Nello schema ho utilizzato 4 transistori PNP , ma potevo usarne anche uno o due , però preferisco distribuire la corrente in più transistori.
Seguite il mio ragionamento e ditemi se sbaglio in qualche passaggio
Per calcolarmi la resistenza IR divido la tensione minima in cui il transistor va in conduzione , con la corrente massima che voglio far gestire all'integrato.
In questo caso nel datasheet del TIP36C ho visto che ha una VBE(on) di 2V ( Quando la corrente sull collettore è sotto i 15A) e volendo far passare nell'integrato solo 100mA , applico la legge di Ohm.
2V/0,100 = 20ohm
Ora mi calcolo la potenza della resistenza
Pd: = R*(I)^2
Pd = 0,20 Watts
Spero di non aver detto cavolate
Ora vorrei capire però che valore dare alle resistenze da mettere in serie all'emettitore per far si che le correnti siano "uguali" , in modo che , anche se uno dei transistori conduca di più , la corrente non circoli tutta su quest'ultimo.
Spero di non aver omesso nessun dettaglio , mi affido alla vostra esperienza
Ora qui sotto metto lo schema che ho fatto con FidoCad.
Allora parto col dire che ho aperto questo topic per avere delle informazioni per dimensionare al meglio le Resistenze in serie all'emettitore e la resistenza IR.
Nello schema ho utilizzato 4 transistori PNP , ma potevo usarne anche uno o due , però preferisco distribuire la corrente in più transistori.
Seguite il mio ragionamento e ditemi se sbaglio in qualche passaggio
Per calcolarmi la resistenza IR divido la tensione minima in cui il transistor va in conduzione , con la corrente massima che voglio far gestire all'integrato.
In questo caso nel datasheet del TIP36C ho visto che ha una VBE(on) di 2V ( Quando la corrente sull collettore è sotto i 15A) e volendo far passare nell'integrato solo 100mA , applico la legge di Ohm.
2V/0,100 = 20ohm
Ora mi calcolo la potenza della resistenza
Pd: = R*(I)^2
Pd = 0,20 Watts
Spero di non aver detto cavolate
Ora vorrei capire però che valore dare alle resistenze da mettere in serie all'emettitore per far si che le correnti siano "uguali" , in modo che , anche se uno dei transistori conduca di più , la corrente non circoli tutta su quest'ultimo.
Spero di non aver omesso nessun dettaglio , mi affido alla vostra esperienza









Dopo questa "bestemmia " 
