Ponte H per motore DC 24V-20A
Carissimi amici, questo è il mio primo argomento in questo fantastico Forum.
Non so se devo prima presentarmi in un'altra area o se posso gia chiedere il vostro aiuto.
Nel caso in cui sto sbagliando qualcosa... ditemelo e provvedo
Ciò che chiedo è questo:
Ho acquistato un motore brushed, 24 V, 15A corrente nominale (S1), 20A corrente in S2.
Voglio far ruotare il motore in entrambi le direzioni attraverso un segnale PWM.
Ho gia preparato un piccolo sketch e programmato il mio Arduino UNO (Atmega328P-PU).
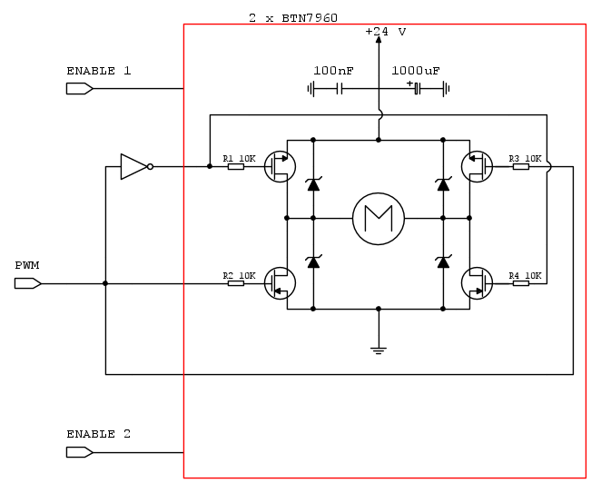
Ho gia costruito un prototipo di PONTE H, utilizzando n°2 BTN7960 (piu i vari elementi passivi sulla PCB) montati su appositi dissipatori e relativa ventola di raffreddamento.
Lo sketch funziona così: alla partenza la velocità inzia ad incrementare fino a raggiungere la velocità massima per poi rallentare fino a fermarsi, poi il motore inizia a ruotare in senso inverso incrementando la velocità fino a raggiungere la velocità massima e così via in loop...
E tutto funziona perfettamente...e i BTN rimangono freddi..
Poi ho modificato lo sketch in maniera tale da partire alla massima velocità (duty cycle 100%) e arrestarsi da 100% a 0% immediatamente...
E tutto funziona perfettamente e i BTN rimangono freddi anche in questa circostanza...
Ma adesso arrivano le dolenti note:
Ho modificato lo sketch in maniera da poter invertire la rotazione attraverso un potenziometro..il motore funziona correttamente e ruota in un verso quando il potenziometro da 5K si trova tra i valori 2,6K e 5K, e ruota nel vorso opposto quando il potenziometro si gtrova tra i valori 2,4K e 0K.
Ma ogni volta che al motore faccio fare inversioni di marcia piu violente.... mi saltano i BTN.
Ho gia provveduto a saldare in parallelo ai BTN n°4 diodi di ricircolo ma..purtroppo i ritorni di corrente che si sviluppano sono distruttivi (parliamo di un motore che ruota a 3000 giri/minuto).
Questo è la sintesi di ciò che ho verificato.
Cosa potrei adoperare affinchè i ritorni di corrente non vadano a danneggiare i BTN?
Se vi occorrono altre info.. ditemi pure.
Ho bisogno del vostro aiuto.
Grazie
Marco
Non so se devo prima presentarmi in un'altra area o se posso gia chiedere il vostro aiuto.
Nel caso in cui sto sbagliando qualcosa... ditemelo e provvedo
Ciò che chiedo è questo:
Ho acquistato un motore brushed, 24 V, 15A corrente nominale (S1), 20A corrente in S2.
Voglio far ruotare il motore in entrambi le direzioni attraverso un segnale PWM.
Ho gia preparato un piccolo sketch e programmato il mio Arduino UNO (Atmega328P-PU).
Ho gia costruito un prototipo di PONTE H, utilizzando n°2 BTN7960 (piu i vari elementi passivi sulla PCB) montati su appositi dissipatori e relativa ventola di raffreddamento.
Lo sketch funziona così: alla partenza la velocità inzia ad incrementare fino a raggiungere la velocità massima per poi rallentare fino a fermarsi, poi il motore inizia a ruotare in senso inverso incrementando la velocità fino a raggiungere la velocità massima e così via in loop...
E tutto funziona perfettamente...e i BTN rimangono freddi..
Poi ho modificato lo sketch in maniera tale da partire alla massima velocità (duty cycle 100%) e arrestarsi da 100% a 0% immediatamente...
E tutto funziona perfettamente e i BTN rimangono freddi anche in questa circostanza...
Ma adesso arrivano le dolenti note:
Ho modificato lo sketch in maniera da poter invertire la rotazione attraverso un potenziometro..il motore funziona correttamente e ruota in un verso quando il potenziometro da 5K si trova tra i valori 2,6K e 5K, e ruota nel vorso opposto quando il potenziometro si gtrova tra i valori 2,4K e 0K.
Ma ogni volta che al motore faccio fare inversioni di marcia piu violente.... mi saltano i BTN.
Ho gia provveduto a saldare in parallelo ai BTN n°4 diodi di ricircolo ma..purtroppo i ritorni di corrente che si sviluppano sono distruttivi (parliamo di un motore che ruota a 3000 giri/minuto).
Questo è la sintesi di ciò che ho verificato.
Cosa potrei adoperare affinchè i ritorni di corrente non vadano a danneggiare i BTN?
Se vi occorrono altre info.. ditemi pure.
Ho bisogno del vostro aiuto.
Grazie
Marco

