Amplificatore Operazionale [Esercizio]
ciao a tutti, sono nuovo del forum e nel mondo dell'elettronica perciò siate comprensivi 
Ho guardato diversi esercizi ma non ne ho mai trovato uno simile.
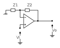
Dovrebbe trattarsi di un operazionale in configurazione non invertente ( la tensione in ingresso è sul V+ )
Nella seconda figura ho provato a ridisegnare lo schema considerando le impedenze,(la z1 è la somma delle impedenze del condensatore e della R1).
Vorrei qualche indicazione su come trovare la funzione di trasferimento, ed i diagrammi di bode, supponendo che l'operazionale sia ideale.
Grazie per ogni suggerimento
Ho guardato diversi esercizi ma non ne ho mai trovato uno simile.
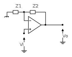
Dovrebbe trattarsi di un operazionale in configurazione non invertente ( la tensione in ingresso è sul V+ )
Nella seconda figura ho provato a ridisegnare lo schema considerando le impedenze,(la z1 è la somma delle impedenze del condensatore e della R1).
Vorrei qualche indicazione su come trovare la funzione di trasferimento, ed i diagrammi di bode, supponendo che l'operazionale sia ideale.
Grazie per ogni suggerimento



dove Req e` la resistenza vista dal condensatore, in questo caso vale R1. La frequenza del polo e` quindi
. La frequenza dello zero e` un po' piu` complicata da trovare direttamente, a meno che non scriva la funzione di trasferimento come ti e` stato spiegato nella precedente risposta. Pero` si puo` usare la proprieta` dei diagrammid i Bode che nel caso di pendenza a 20dB/decade il rapporto delle amplificazioni (come fattore, non in decibel) e` uguale al rapporto delle frequenze, quindi
da cui si ha
e con questo e` finito il problema
.