Controllo Matrice di LED a bassa tensione
Ciao a tutti,
vorrei condividere con voi una difficoltà sulla quale mi sto arrovellando da giorni:
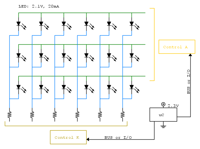
sto progettando un circuito che controlli un display a matrice di led 3x6 tramite microcontrollore, ecco alcuni dati:
- i LED sono da 20 mA @ 2,1 V
- i PIN del uC erogano al massimo 1.5 mA
- controllare una matrice di LED 3x6
- il sistema deve consumare il meno possibile
- tensione di alimentazione: devo sceglierla da 2,3 V a 3,0 V (ma più è bassa, meno consumo)
Ho pensato inizialmente di collegarli in questo modo, ma ho libertà di stravolge il circuito.
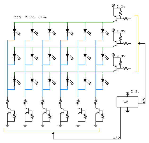
Per il controllo, visto che il microcontrollore non eroga sufficiente corrente, ho pensato a 3 diverse alternative:
- utilizzare uno shift register per "Control K" e 3 P-MOS per "Control A"
- utilizzare un buffer (o un hex-inverter) per "Control K" e 3 P-MOS per "Control A"
- utilizzare un led driver per "Control K" e 3 P-MOS per "Control A"
tutte e 3 le possibilità purtroppo mi portano ad un vicolo cieco, in quanto non trovo componenti in grado di funzionare a tensioni di 2.3V ed erogare 20 mA per canale (con una Icc totale di almeno 120 mA)
Ho esaurito le idee, mi sto arrendendo, ma sono sicuro che qualcuno di voi saprà consigliarmi qualcosa di geniale!
Vi ringrazio in anticipo!
vorrei condividere con voi una difficoltà sulla quale mi sto arrovellando da giorni:
sto progettando un circuito che controlli un display a matrice di led 3x6 tramite microcontrollore, ecco alcuni dati:
- i LED sono da 20 mA @ 2,1 V
- i PIN del uC erogano al massimo 1.5 mA
- controllare una matrice di LED 3x6
- il sistema deve consumare il meno possibile
- tensione di alimentazione: devo sceglierla da 2,3 V a 3,0 V (ma più è bassa, meno consumo)
Ho pensato inizialmente di collegarli in questo modo, ma ho libertà di stravolge il circuito.
Per il controllo, visto che il microcontrollore non eroga sufficiente corrente, ho pensato a 3 diverse alternative:
- utilizzare uno shift register per "Control K" e 3 P-MOS per "Control A"
- utilizzare un buffer (o un hex-inverter) per "Control K" e 3 P-MOS per "Control A"
- utilizzare un led driver per "Control K" e 3 P-MOS per "Control A"
tutte e 3 le possibilità purtroppo mi portano ad un vicolo cieco, in quanto non trovo componenti in grado di funzionare a tensioni di 2.3V ed erogare 20 mA per canale (con una Icc totale di almeno 120 mA)
Ho esaurito le idee, mi sto arrendendo, ma sono sicuro che qualcuno di voi saprà consigliarmi qualcosa di geniale!
Vi ringrazio in anticipo!

