Riparazione amplificatore audio: brutta esperienza
Be', oltre al mio amico Vittorio, con il quale condivido l'interesse per l'elettronica, voglio raccontarla anche a voi.
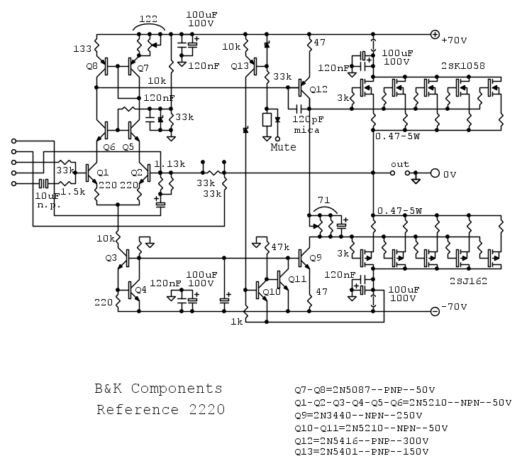
In genere evito di eseguire riparazioni ma a volte lo faccio, solo per gli amici, gli ex colleghi... questa volta ho riparato un vecchio amplificatore stereo da 250W B&K Components Reference 2220 che mi ha fatto penare.
Come al solito niente schema e neanche reperibile in rete, inizialmente pensavo di poterne fare a meno ma poi le cose si sono messe male e ho deciso a ricavarmelo.
Come vedete niente di strano, tranne un inutile complicazione di un comando "mute" che spegne i finali e il differenziale.
Uno dei mosfet N in uno dei due canali risultava in cortocircuito da tutte le parti e la R da 0.47 ohm in serie al source risultava aperta, insomma il solito guasto degli amplificatori... cosa da prima elementare.
Durante la sostituzione dei componenti rotti del canale difettoso ho notato che gli isolatori al silicone tra i dieci mosfet TO247 e il dissipatore si erano leggermente deteriorati, si staccavano con difficoltà, si erano quasi incollati e leggermente scrostati, evidentemente per conseguenza del continuo surriscaldamento nel corso degli anni, per cui ho pensato bene di sostituirli su entrambi i canali con dei nuovi in mica, anche perché so che al mio amico, il proprietario dell'amplificatore, piace ascoltare la musica ad alto volume e da prove fatte in passato mi sono convinto che quelli di mica trasmettano meglio il calore al dissipatore.
Dopo la sostituzione degli isolatori in entrambi i canali e la sostituzione dei componenti rotti nel canale difettoso, durante le prove, fatte con cautela (variac sull'alimentazione, oscilloscopio in uscita, tester vari collegati per verificare tensioni di alimentazione e correnti nei finali..) si è evidenziata da subito, in assenza di segnale audio, la presenza di debole rumore a 50Hz in uscita dal canale riparato, circa 200mVpp... che però puzzava di autooscillazione ad alta frequenza... è stato qui che ho deciso di ricavarmi lo schema.
E infatti, guardando meglio, c'era dell'alta frequenza, credo a varie decine di MHz, sul source di tre dei dieci mosfet, ma anche da altre parti si notava il tipico ispessimento della traccia dovuto all'alta frequenza e quel debole segnale a 50Hz presente su tutto l'anello tranne che in ingresso.
Non ho avuto modo di stimare la frequenza ma sono convinto fosse davvero alta perché il segnale, che non si agganciava, lo vedevo con difficoltà sull'oscilloscopio da 50MHz e inoltre variava di ampiezza spostando la sonda di qualche centimetro sulla stessa pista.
I componenti del canale difettoso, che era quello che avevo riparato, risultavano tutti funzionanti, collegando il carico fittizio in uscita le cose peggioravano molto, applicando un segnale sinusoidale 400Hz in ingresso nasceva una componente continua in uscita proporzionale all'ampiezza del segnale, sintomo evidente di una intermodulazione con il segnale di alta frequenza.
Ci ho sbattuto un giorno e mezzo convinto che il difetto fosse da attribuire alla avvenuta sostituzione dei componenti rotti oppure ad altri componenti deteriorati come gli elettrolitici ma parallelandoli con altri non cambiava nulla.
Poi un fatto mi ha aperto gli occhi: ho notato che anche l'altro canale, quello non manomesso che fino a quel momento avevo tenuto scollegato dall'alimentazione, aveva tendenza ad oscillare ma in maniera meno evidente, oscillava solo in presenza del segnale audio, per questo in prima battuta mi era sembrato esente dal problema.
A questo punto era evidente che quella oscillazione non poteva dipendere dal precedente guasto e/o dalla riparazione effettuata.
Per farla breve la colpa era degli isolatori in mica che rispetto a quelli in silicone introducevano una maggiore capacità parassita tra il case dei mosfet e il dissipatore collegato a massa e anche al riferimento, infatti rimontando i vecchi isolatori in silicone tutto è andato a posto.
La sfiga ha voluto che i mosfet TO247 utilizzati in quell'amplificatore fossero particolari: hanno il case connesso al source, non al drain, cosa che non mi era mai capitato di vedere prima.
Se fossero stati dei normali mosfet di potenza TO247 avrebbero avuto il piedino del drain al centro collegato con il case, quindi la capacità parassita offerta dall'isolatore sarebbe finita tra l'alimentazione e il riferimento e non avrebbe dato fastidio a nessuno, invece questi maledetti mosfet 2SK1058 e 2SJ162 hanno il piedino del source al centro e connesso al case, quindi la capacità parassita finisce tra source e il riferimento cioè in parallelo al segnale di uscita e tra l'altro prima della resistenza di equalizzazione da 0.47ohm che, essendo a filo, chissà cosa diventa alle alte frequenze...
Le mie riparazioni prendono quasi sempre una piega simile a questa, per questo cerco di evitare... Io alla sfiga non ci credo ma alla legge di Murphy ci credo fermamente, mi perseguita da sempre
Succede anche a voi?
In genere evito di eseguire riparazioni ma a volte lo faccio, solo per gli amici, gli ex colleghi... questa volta ho riparato un vecchio amplificatore stereo da 250W B&K Components Reference 2220 che mi ha fatto penare.
Come al solito niente schema e neanche reperibile in rete, inizialmente pensavo di poterne fare a meno ma poi le cose si sono messe male e ho deciso a ricavarmelo.
Come vedete niente di strano, tranne un inutile complicazione di un comando "mute" che spegne i finali e il differenziale.
Uno dei mosfet N in uno dei due canali risultava in cortocircuito da tutte le parti e la R da 0.47 ohm in serie al source risultava aperta, insomma il solito guasto degli amplificatori... cosa da prima elementare.
Durante la sostituzione dei componenti rotti del canale difettoso ho notato che gli isolatori al silicone tra i dieci mosfet TO247 e il dissipatore si erano leggermente deteriorati, si staccavano con difficoltà, si erano quasi incollati e leggermente scrostati, evidentemente per conseguenza del continuo surriscaldamento nel corso degli anni, per cui ho pensato bene di sostituirli su entrambi i canali con dei nuovi in mica, anche perché so che al mio amico, il proprietario dell'amplificatore, piace ascoltare la musica ad alto volume e da prove fatte in passato mi sono convinto che quelli di mica trasmettano meglio il calore al dissipatore.
Dopo la sostituzione degli isolatori in entrambi i canali e la sostituzione dei componenti rotti nel canale difettoso, durante le prove, fatte con cautela (variac sull'alimentazione, oscilloscopio in uscita, tester vari collegati per verificare tensioni di alimentazione e correnti nei finali..) si è evidenziata da subito, in assenza di segnale audio, la presenza di debole rumore a 50Hz in uscita dal canale riparato, circa 200mVpp... che però puzzava di autooscillazione ad alta frequenza... è stato qui che ho deciso di ricavarmi lo schema.
E infatti, guardando meglio, c'era dell'alta frequenza, credo a varie decine di MHz, sul source di tre dei dieci mosfet, ma anche da altre parti si notava il tipico ispessimento della traccia dovuto all'alta frequenza e quel debole segnale a 50Hz presente su tutto l'anello tranne che in ingresso.
Non ho avuto modo di stimare la frequenza ma sono convinto fosse davvero alta perché il segnale, che non si agganciava, lo vedevo con difficoltà sull'oscilloscopio da 50MHz e inoltre variava di ampiezza spostando la sonda di qualche centimetro sulla stessa pista.
I componenti del canale difettoso, che era quello che avevo riparato, risultavano tutti funzionanti, collegando il carico fittizio in uscita le cose peggioravano molto, applicando un segnale sinusoidale 400Hz in ingresso nasceva una componente continua in uscita proporzionale all'ampiezza del segnale, sintomo evidente di una intermodulazione con il segnale di alta frequenza.
Ci ho sbattuto un giorno e mezzo convinto che il difetto fosse da attribuire alla avvenuta sostituzione dei componenti rotti oppure ad altri componenti deteriorati come gli elettrolitici ma parallelandoli con altri non cambiava nulla.
Poi un fatto mi ha aperto gli occhi: ho notato che anche l'altro canale, quello non manomesso che fino a quel momento avevo tenuto scollegato dall'alimentazione, aveva tendenza ad oscillare ma in maniera meno evidente, oscillava solo in presenza del segnale audio, per questo in prima battuta mi era sembrato esente dal problema.
A questo punto era evidente che quella oscillazione non poteva dipendere dal precedente guasto e/o dalla riparazione effettuata.
Per farla breve la colpa era degli isolatori in mica che rispetto a quelli in silicone introducevano una maggiore capacità parassita tra il case dei mosfet e il dissipatore collegato a massa e anche al riferimento, infatti rimontando i vecchi isolatori in silicone tutto è andato a posto.
La sfiga ha voluto che i mosfet TO247 utilizzati in quell'amplificatore fossero particolari: hanno il case connesso al source, non al drain, cosa che non mi era mai capitato di vedere prima.
Se fossero stati dei normali mosfet di potenza TO247 avrebbero avuto il piedino del drain al centro collegato con il case, quindi la capacità parassita offerta dall'isolatore sarebbe finita tra l'alimentazione e il riferimento e non avrebbe dato fastidio a nessuno, invece questi maledetti mosfet 2SK1058 e 2SJ162 hanno il piedino del source al centro e connesso al case, quindi la capacità parassita finisce tra source e il riferimento cioè in parallelo al segnale di uscita e tra l'altro prima della resistenza di equalizzazione da 0.47ohm che, essendo a filo, chissà cosa diventa alle alte frequenze...
Le mie riparazioni prendono quasi sempre una piega simile a questa, per questo cerco di evitare... Io alla sfiga non ci credo ma alla legge di Murphy ci credo fermamente, mi perseguita da sempre
Succede anche a voi?

e lo spessore è 1mm si può stimare qualcosa nell'ordine di 25pF/dispositivo per un TO247