Pagina 1 di 1
Problema accensione Faro con sensore crepuscolare/movimento

Inviato:
30 apr 2018, 8:29
da AntonioCaruso
Buongiorno,
ho comprato e montato nel garage un faro con sensore crepuscolare e sensore di movimento.
Il faro porta 3 regolatori, 1 per la durata cui il faro deve restare acceso, 1 per la sensibilità del sensore di movimento e il terzo c'è scritto LUMEN e credo sia quello legato alla soglia di luminosità di accensione del faro.
Il problema è che sia che lo setto al massimo che al minimo il faro continua ad accendersi sia quando il garage è completamente buio (in questo caso deve accendersi) e sia quando le luci del garage sono accese (in questo caso non voglio che si accenda).
Qualche consiglio?
Saluti
Antonio
Re: Problema accensione Faro con sensore crepuscolare/movime

Inviato:
30 apr 2018, 8:40
da angus
La luce del garage potrebbe non essere sufficiente, ma dubito...
più probabile che sia difettoso. Fattelo sostituire.
Re: Problema accensione Faro con sensore crepuscolare/movime

Inviato:
30 apr 2018, 10:34
da pgiagno
Ho acquistato anch'io uno di questi fari. Ho rilevato una criticità notevole sulla regolazione dei potenziometri e una sensibilità ridotta alla luce. Nel senso che ci vuole una luce molto forte e diretta per NON farlo accendere. Può essere anche perché se fosse sensibile tutte le volte che si accende il faro la luce riflessa lo farebbe spegnere. E a quel punto il buio lo farebbe riaccendere. E così via.
Per concludere credo che la luce artificiale di un garage NON possa essere sufficiente da non fare accendere il faro.
Una soluzione può consistere in una piccola lampadina, che si accende insieme alle lampade del garage, posta direttamente sopra al sensore.
Ciao,
P.
Re: Problema accensione Faro con sensore crepuscolare/movime

Inviato:
30 apr 2018, 22:07
da angus
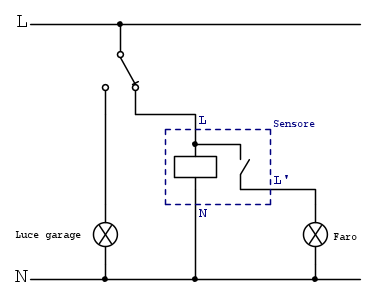
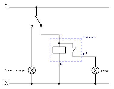
Se il problema non è un difetto del singolo sensore, ma una sua caratteristica, la "soluzione" potrebbe essere quella di usare un deviatore per la luce del garage e attraverso quello alimentare il sensore-faro.
Così facendo quando la luce del garage è accesa, non alimenti il faro che quindi non può sicuramente accendersi mentre quando la luce è spenta, attraverso il deviatore, alimenti il faro che si accenderà solo quando rileva un movimento.
Re: Problema accensione Faro con sensore crepuscolare/movime

Inviato:
1 mag 2018, 8:51
da pgiagno
Il faro che ho comprato io viene venduto completo di cavo e spina, per cui basta attaccarlo a una presa qualunque. La soluzione che ha suggerito angus prevede la modifica dell'impianto. Forse è più semplice fare in modo che una luce colpisca direttamente la fotocellula. Non so.
Ciao,
P.
Re: Problema accensione Faro con sensore crepuscolare/movime

Inviato:
2 mag 2018, 8:40
da AntonioCaruso
Grazie per le risposte,
ho chiesto anche al fornitore e mi ha dato delle indicazioni che però devo ancora verificare.
In pratica mi ha detto che per regolare l'accensione "crepuscolare" devo agire sia sul regolatore "Lumen" che sul regolatore "Sens". A mio avviso quest'ultimo non dovrebbe influire visto che dovrebbe essere legato al minimo movimento che il sensore di movimento riesce a rilevare (o forse sbaglio?). E lui mi ha di nuovo risposto che gli elettricisti esperti già sono a conoscenza di questa cosa e li montano correttamente mentre sono gli hobbisti che hanno problemi a settarli.
Mah, comunque questo fine settimana provo, nel caso non riesco a risolvere credo che opterò per un punto luce in prossimità del faro. La soluzione con deviatore sarebbe nettamente migliore ma non vorrei mettere mano all'impianto.