Strana combinazione di NMOS e NPN
Ciao a tutti
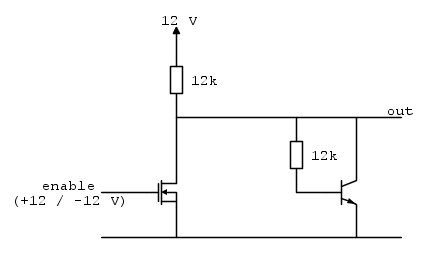
In un circuito ho trovato questa configurazione:
Il segnale di enable è presente nel circuito per altre ragioni. È un segnale digitale con livelli +/- 12V.
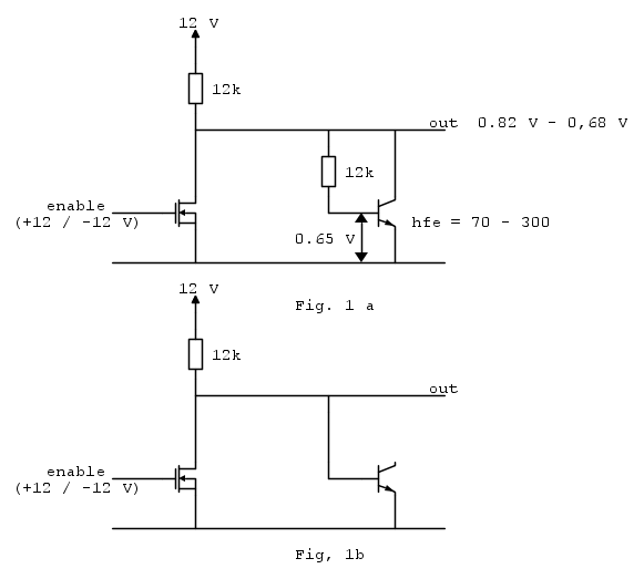
Non capisco quell'NPN messo lì così... L'effetto è di ottenere un livello in uscita tra 0 e circa 700 mV.
Non si sarebbe ottenuto lo stesso risultato (con una riproducibilità molto migliore perché indipendente dal beta del transistor) usando solo un resistore di adeguato valore tra drain e source?
Boiler
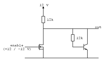
In un circuito ho trovato questa configurazione:
Il segnale di enable è presente nel circuito per altre ragioni. È un segnale digitale con livelli +/- 12V.
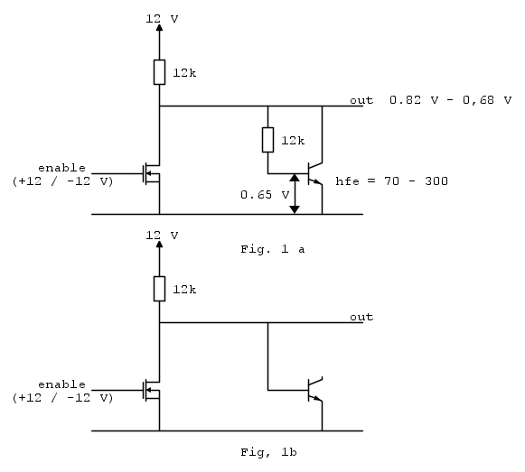
Non capisco quell'NPN messo lì così... L'effetto è di ottenere un livello in uscita tra 0 e circa 700 mV.
Non si sarebbe ottenuto lo stesso risultato (con una riproducibilità molto migliore perché indipendente dal beta del transistor) usando solo un resistore di adeguato valore tra drain e source?
Boiler



Max