Circuito per ricarica batteria NiHM
salve a tutti
vorrei realizzare un circuito per la ricarica di batterie NiMH da 2,4V 600mAh
si tratta di due batterie messe in serie prese da un rasoio elettrico , mi piacerebbe poterle riutilizzare , ma per far questo mi serve un circuito di ricarica ...
guardando su internet ho visto che tali batterie devono essere ricaricate a corrente costante del valore massimo di C/10 quindi nel mio caso 60mAh .
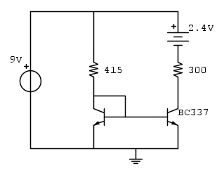
sempre girando sul web si trovano schemi circuitali per la ricarica di molti tipi , tuttavia volevo sapere se un circuito del genere potesse andare bene...
è uno specchio di corrente da 20mA i valori delle R sono solo indicativi...
e ovviamente andrebbero fatti dei miglioramenti tipo diodi di protezione ecc
vorrei realizzare un circuito per la ricarica di batterie NiMH da 2,4V 600mAh
si tratta di due batterie messe in serie prese da un rasoio elettrico , mi piacerebbe poterle riutilizzare , ma per far questo mi serve un circuito di ricarica ...
guardando su internet ho visto che tali batterie devono essere ricaricate a corrente costante del valore massimo di C/10 quindi nel mio caso 60mAh .
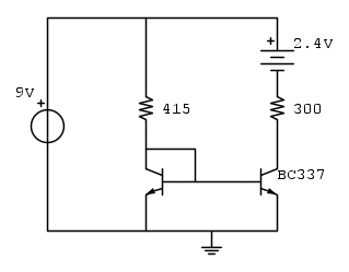
sempre girando sul web si trovano schemi circuitali per la ricarica di molti tipi , tuttavia volevo sapere se un circuito del genere potesse andare bene...
è uno specchio di corrente da 20mA i valori delle R sono solo indicativi...
e ovviamente andrebbero fatti dei miglioramenti tipo diodi di protezione ecc

Ser.Tom