Domanda sulla retroazione in una configurazione invertente
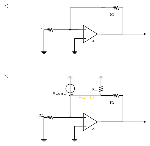
Dato il classico amplificatore invertente dell'immagine a.
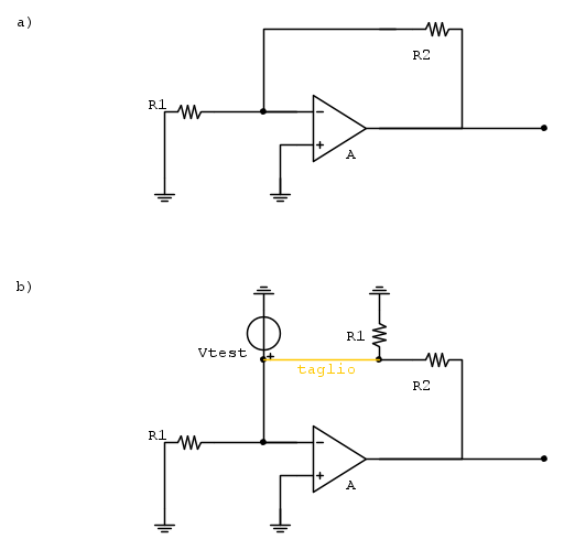
Se taglio l'anello nel punto indicato dall'immagine b, come si fa a trovare il Gloop utilizzando come segnale di test una tensione se la tensione dall'altro capo del taglio sarà sempre 0 in quanto l'impedenza ripristinata deve essere collegata a terra?
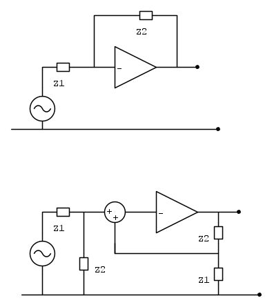
immagini di riferimento
Se taglio l'anello nel punto indicato dall'immagine b, come si fa a trovare il Gloop utilizzando come segnale di test una tensione se la tensione dall'altro capo del taglio sarà sempre 0 in quanto l'impedenza ripristinata deve essere collegata a terra?
immagini di riferimento

