Pagina 1 di 2

Relè di sicurezza PILZ e DO

MessaggioInviato: 13 dic 2019, 13:03
da fuelty
Buongiorno,
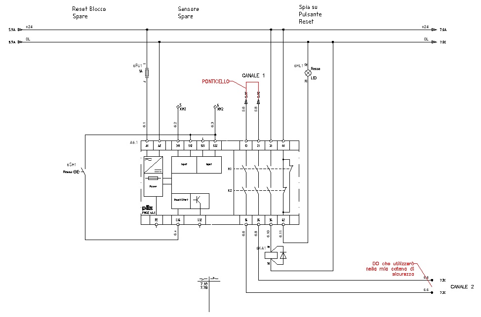
mi hanno fornito un quadro che attua delle sicurezze su un impianto. In particolare da questo quadro escono 2 contatti puliti (sicuri) che dovranno comandare il blocco di un componente della catena.

Il problema è che a valle del quadro (dove dovrei inserirmi con la catena IN SERIE) esiste un solo canale di sicurezza. Ho pensato di ponticellare due delle DO. In questo modo non tengo un canale inutilizzato.

Una immagine parla più di 1000 parole.
safe.jpg

Il dubbio che mi hanno fatto nascere è che il PILZ potrebbe andare in protezione in questo modo... Ma essendo i DO contatti puliti non vedo come possa essere possibile...

Sapere aiutarmi?
Grazie

Re: Relè di sicurezza PILZ e DO

MessaggioInviato: 17 dic 2019, 10:30
da fuelty
Buondì,
Nessuno sa aiutarmi?

Grazie

Re: Relè di sicurezza PILZ e DO

MessaggioInviato: 18 dic 2019, 1:58
da marcorusso1
Ciao. Non capisco perché ponticellare le uscite sicure del relè,evita, e poi non chiamarle DO si fa confusione con le uscite del PLC. Utilizza solo una delle due uscite sicure 13-14 oppure 23-24 come singolo canale della catena delle sicurezze in cui dovrai inserirti a valle del quadro.

Re: Relè di sicurezza PILZ e DO

MessaggioInviato: 18 dic 2019, 2:41
da WALTERmwp
Foto Utentefuelty, le immagini(foto, disegni, ...) vanno caricati direttamente su EY, non ci si deve appoggiare a siti esterni.
Consideralo la prossima volta, grazie.

Saluti

Re: Relè di sicurezza PILZ e DO

MessaggioInviato: 21 dic 2019, 20:40
da fuelty
marcorusso1 ha scritto:Ciao. Non capisco perché ponticellare le uscite sicure del relè,evita, e poi non chiamarle DO si fa confusione con le uscite del PLC. Utilizza solo una delle due uscite sicure 13-14 oppure 23-24 come singolo canale della catena delle sicurezze in cui dovrai inserirti a valle del quadro.

Grazie per la risposta.
In effetti è la soluzione migliore, ed è quella che ho tentato di far capire alla committenza.

Il problema è che alla committenza da fastidio il fatto di avere due canali da quel quadro di blocco ed utilizzarne solo 1. Tuttavia la catena di sicurezza a valle ha UN solo canale.
Quindi una soluzione sarebbe utilizzare un relè di appoggio che prenda i due canali e me ne dia in uscita uno solo (come AND dei due in ingresso). Tutto questo è una complicazione impiantistica che mette in mezzo un ulteriore componente. Ecco il perché del ponticellare i due canali…

Re: Relè di sicurezza PILZ e DO

MessaggioInviato: 21 dic 2019, 20:42
da fuelty
WALTERmwp ha scritto:Foto Utentefuelty, le immagini(foto, disegni, ...) vanno caricati direttamente su EY, non ci si deve appoggiare a siti esterni.
Consideralo la prossima volta, grazie.

Saluti

Perdonami, lo terrò a mente per i prossimi post.

Grazie

Re: Relè di sicurezza PILZ e DO

MessaggioInviato: 21 dic 2019, 23:23
da WALTERmwp
fuelty ha scritto:(...) Il problema è che alla committenza da fastidio (...)
certe "sensibilità" non hanno molto senso ... persuadili che la questione dell'eventuale sottoutilizzo(ammesso sia questo il retropensiero) non dovrebbe inficiare il cablaggio.
Non c'è uno spreco di denaro, credo.
fuelty ha scritto:(...) Quindi una soluzione sarebbe utilizzare un relè di appoggio che (...)
se posso chiedere, cosa utilizzeresti ?

Saluti

Re: Relè di sicurezza PILZ e DO

MessaggioInviato: 21 dic 2019, 23:57
da fuelty
WALTERmwp ha scritto:certe "sensibilità" non hanno molto senso ... persuadili che la questione dell'eventuale sottoutilizzo(ammesso sia questo il retropensiero) non dovrebbe inficiare il cablaggio.
Non c'è uno spreco di denaro, credo.

Il problema è appunto una maggior sicurezza. Ma se a valle c'è un solo canale è inutile che io ne porti due ponticellandoli. Non è uno spreco di denaro (anche perché il costo del quadro sarebbe stato il medesimo con uno o due canali).

WALTERmwp ha scritto:se posso chiedere, cosa utilizzeresti ?

Avrei utilizzato due relè di sicurezza (con meno uscite, dato che ne sarebbe servita una sola), questi avrebbero preso in ingresso il segnale dal quadro di blocco (un canale per ogni relè), le uscite NA le avrei messe in serie per poi tirare fuori una sola uscita NA (che sarebbe stata sicura).
Così su due piedi... (disegnando lo schema mi sarei accorto sicuramente di qualche cosa che mi sfugge).

Questo però mi avrebbe complicato molto il cablaggio sulla parte esistente del committente e sarebbe stato sicuramente un costo in più e ore di manodopera in più...

Re: Relè di sicurezza PILZ e DO

MessaggioInviato: 22 dic 2019, 17:28
da marcorusso1
Il problema è che alla committenza da fastidio il fatto di avere due canali da quel quadro di blocco ed utilizzarne solo 1. Tuttavia la catena di sicurezza a valle ha UN solo canale.
Ci sarà un motivo per cui la catena delle sicurezze a valle ha un solo canale: di che tipo di macchina si tratta, qual è il fattore di rischio, qual è il suo performance level (categoria di sicurezza richiesta ). Il fatto che non ci sia un doppio canale non vuol dire che sia meno sicuro, ripeto bisogna vedere di che tipo di macchina / sistema si tratta.

Quindi una soluzione sarebbe utilizzare un relè di appoggio .....
peggio mi sento , a meno che non si tratti a sua volta di un componente safety certificato ( con un costo più alto rispetto a uno normale) o di dover
inserire un ulteriore pilz andando a complicare i cablaggi per non parlare poi in caso di guasto ricerca guasti.
Si vede che al committente piace spendere di più per sentirsi ''al sicuro''.

Va be' vediamo di risolvere il problema: evita relè di appoggio ecc.... hai già il tuo relè di sicurezza.
Trattandosi di contatti puliti oltre a essere a guida forzata, puoi mettere in OR l'uscita 13-14 con l'uscita 23-24, in modo da sfruttare entrambe le uscite ma di avere un solo canale per il quadro a valle. Oppure fare la serie delle uscite 13-14 con l'uscita 23-24. Vedi un po' la committenza cosa preferisce

Re: Relè di sicurezza PILZ e DO

MessaggioInviato: 22 dic 2019, 22:41
da fuelty
marcorusso1 ha scritto:Ci sarà un motivo per cui la catena delle sicurezze a valle ha un solo canale: di che tipo di macchina si tratta, qual è il fattore di rischio, qual è il suo performance level (categoria di sicurezza richiesta ). Il fatto che non ci sia un doppio canale non vuol dire che sia meno sicuro, ripeto bisogna vedere di che tipo di macchina / sistema si tratta.

Grazie per l'incoraggiamento :D

Si tratta di un "fuori specifica" in realtà, è la catena di blocco di sicurezza di una turbina a gas. La variante insolita è che la turbina è di vecchia generazione e dal PLC del DCS (DO fail-safe) ha un solo canale per il blocco di emergenza, così come ha un sono DI fail-safe sul quadro di macchina.
Recentemente è stato oggetto di revamping la caldaia ECO2 e per garantire la sicurezza di questo componente è stato installato questo quadro di blocco da quale escono i famosi due canali. Due canali appunto perché le turbine di ultima generazione hanno due canali per queste funzioni di blocco.
Non vorrei dire una castroneria, ma mi pare di ricordare sia un sistema di Categoria 1 (ma dovrei controllare)...

Sono d'accordo che avere un solo canale non significhi essere meno sicuri, tuttora la sicurezza della turbogas si affida su un solo canale per l'arresto di emergenza, quindi non vedo come io possa sfruttarne due.

marcorusso1 ha scritto: peggio mi sento , a meno che non si tratti a sua volta di un componente safety certificato ( con un costo più alto rispetto a uno normale) o di dover
inserire un ulteriore pilz andando a complicare i cablaggi per non parlare poi in caso di guasto ricerca guasti.
Si vede che al committente piace spendere di più per sentirsi ''al sicuro''.

Va be' vediamo di risolvere il problema: evita relè di appoggio ecc.... hai già il tuo relè di sicurezza.
Trattandosi di contatti puliti oltre a essere a guida forzata, puoi mettere in OR l'uscita 13-14 con l'uscita 23-24, in modo da sfruttare entrambe le uscite ma di avere un solo canale per il quadro a valle. Oppure fare la serie delle uscite 13-14 con l'uscita 23-24. Vedi un po' la committenza cosa preferisce

Esattamente quello che ho scritto su, l'aggiungere un ulteriore componente (safety che sia) introduce un ulteriore variabile di rottura che può essere evitata semplicemente non mettendolo.
Io sono estremamente convinto che questo collegamento si possa fare e così si farà, ovviamente tutta la catena di sicurezze dovrà essere testata prima della certificazione.

Per curiosità, come li metteresti in OR?
Grazie!