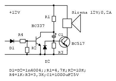
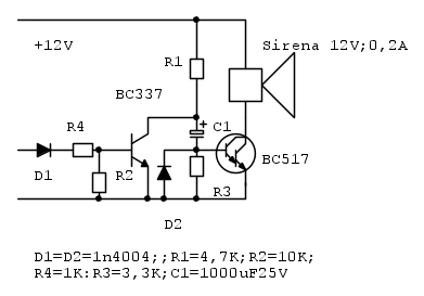
estensore di campanello senza fili
salve ragazzi ho bisogno del vostro aiuto;vorrei mettere in garage un ripetitore di campanello in modo che,quando qualcuno chiama dal citofono,si attiva anche un campanello in garage; fare il collegamento col filo è complicato in quanto mi trovo al terzo piano di un condominio ed il garage è distante, ho pensato ad un campanello che funziona senza fili con le onde radio ma poi non saprei come collegare il circuito del campanello con il nuovo dispositivo (per informazione l'impianto citofonico è di vecchio tipo)
https://www.leroymerlin.it/catalogo/cam ... AQQAvD_BwE
un dispositivo come questo va bene?
grazie
https://www.leroymerlin.it/catalogo/cam ... AQQAvD_BwE
un dispositivo come questo va bene?
grazie
