Oscillatore con ECC83
Buonasera a tutti,
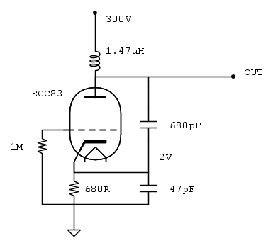
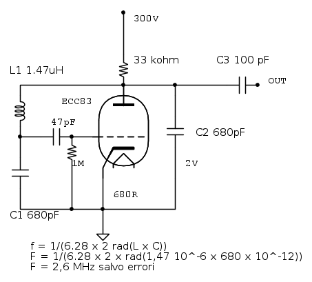
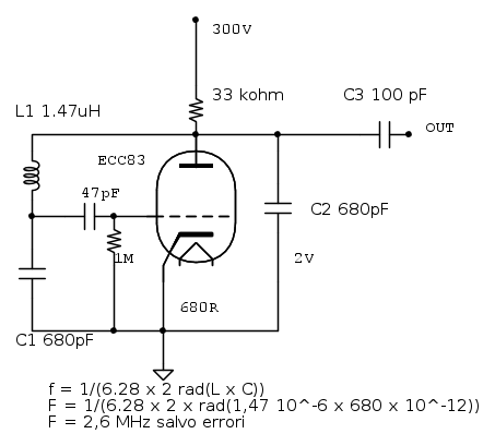
Per ragioni puramente didattiche sto cercando di realizzare un semplice oscillatore con una sezione di un triodo ECC83. Facendo una ricerca in rete ho deciso di affidarmi a una delle tante varianti del circuito Colpitts ed ho quindi realizzato questo schema:
Inutile dire che non funziona nulla, eppure il circuito dovrebbe avere una sua logica e, anche se la ECC83 non è la valvola più adatta al lavoro in HF, mi aspetterei comunque di vedere qualche tentativo di innesco. Invece niente, traccia piatta come un tavolo...
L'induttore è un semplice solenoide di 15 spire avvolto su un tubo da 10mm. Il suo valore di induttanza l'ho determinato sperimentalmente misurando l'attenuazione di un segnale a 3MHz su un circuito di prova LR.
Damiano
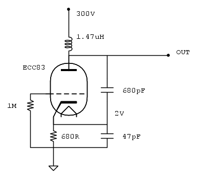
Per ragioni puramente didattiche sto cercando di realizzare un semplice oscillatore con una sezione di un triodo ECC83. Facendo una ricerca in rete ho deciso di affidarmi a una delle tante varianti del circuito Colpitts ed ho quindi realizzato questo schema:
Inutile dire che non funziona nulla, eppure il circuito dovrebbe avere una sua logica e, anche se la ECC83 non è la valvola più adatta al lavoro in HF, mi aspetterei comunque di vedere qualche tentativo di innesco. Invece niente, traccia piatta come un tavolo...
L'induttore è un semplice solenoide di 15 spire avvolto su un tubo da 10mm. Il suo valore di induttanza l'ho determinato sperimentalmente misurando l'attenuazione di un segnale a 3MHz su un circuito di prova LR.
Damiano

Max
