Domanda su 74LS125 (tri-state buffer)
Ciao ragazzi, ho necessità di "quadruplicare" un segnale TTL disattivando o attivando all'occorrenza ciascuna delle 4 uscite. Ho trovato che il 74LS125 dovrebbe fare al caso mio, e inoltre ne avevo già uno a casa.
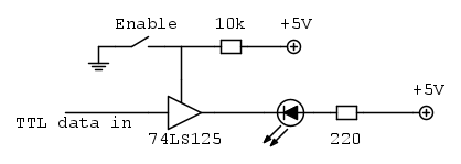
Ho quindi costruito un circuito di prova per vederne praticamente il funzionamento ed il comportamento a circa 32 kHz (il clock del segnale che devo trasmettere).
Il circuito di prova che ho realizzato è il seguente:
Ho fornito un onda quadra in ingresso a 32 kHz, e quello che mi aspettavo succedesse era di vedere in uscita lo stesso segnale se lo switch di enable era attivato (se non ho capito male dal datasheet, il 125 è attivo con l'enable a massa, il 126 con l'enable a 5v), o di non vederlo con lo switch disattivato.
Quello che invece è successo è che con l'enable scollegato (non a massa) in uscita vedevo il segnale pulito (quasi, nel senso che da dopo circa 10kHz l'onda in uscita ha il fronte di salita non proprio squadrato) e con l'enable collegato a massa, mi portava le "valli" (low) dell'onda quadra quasi a livello degli alti (un'onda quadra con picco circa 5v e circa 0.4v picco-picco).
Sto sbagliando qualcosa io o l'integrato che avevo a casa non funziona come deve? (purtroppo non ne ho un altro sottomano per provare a cambiarlo)
Grazie a tutti, Francesco
P.s.: quello che io ho rappresentato come un led in realtà è un optoisolatore. Ho allegato lo screenshot dell'oscilloscopio durante un teorico stato di non enable (la massa era scollegata); in giallo l'input, in azzurro l'out dal 74LS125 , in blu l'ouput dell'optoisolatore
Ho quindi costruito un circuito di prova per vederne praticamente il funzionamento ed il comportamento a circa 32 kHz (il clock del segnale che devo trasmettere).
Il circuito di prova che ho realizzato è il seguente:
Ho fornito un onda quadra in ingresso a 32 kHz, e quello che mi aspettavo succedesse era di vedere in uscita lo stesso segnale se lo switch di enable era attivato (se non ho capito male dal datasheet, il 125 è attivo con l'enable a massa, il 126 con l'enable a 5v), o di non vederlo con lo switch disattivato.
Quello che invece è successo è che con l'enable scollegato (non a massa) in uscita vedevo il segnale pulito (quasi, nel senso che da dopo circa 10kHz l'onda in uscita ha il fronte di salita non proprio squadrato) e con l'enable collegato a massa, mi portava le "valli" (low) dell'onda quadra quasi a livello degli alti (un'onda quadra con picco circa 5v e circa 0.4v picco-picco).
Sto sbagliando qualcosa io o l'integrato che avevo a casa non funziona come deve? (purtroppo non ne ho un altro sottomano per provare a cambiarlo)
Grazie a tutti, Francesco
P.s.: quello che io ho rappresentato come un led in realtà è un optoisolatore. Ho allegato lo screenshot dell'oscilloscopio durante un teorico stato di non enable (la massa era scollegata); in giallo l'input, in azzurro l'out dal 74LS125 , in blu l'ouput dell'optoisolatore

