Frequenza di taglio BJT
Un saluto a tutti. E' da un po' che non scrivo!
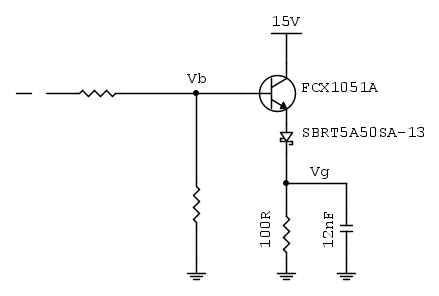
Per vari motivi (segreti) mi trovo tra le mani un circuito strano. Ad un certo punto c'è questo:
A regime, la corrente di collettore vale

e le tensioni:


Il datasheet dell'npn riporta una frequenza di cut-off pari a 155 MHz, e un guadagno tipico di 440.
1) Mi verrebbe da dire che al piccolo segnale vale
, quanto è sbagliata questa affermazione?
2) La frequenza di "cut-off" come viene definita? Il datasheet non dice nulla. Il trasferimento tra corrente di base e di collettore viene tagliato a 155 MHz oppure devo dividere anche per il guadagno (350 kHz)? Il modello Spice del produttore sembra suggerire quest'ultima cosa.
Per vari motivi (segreti) mi trovo tra le mani un circuito strano. Ad un certo punto c'è questo:
A regime, la corrente di collettore vale

e le tensioni:


Il datasheet dell'npn riporta una frequenza di cut-off pari a 155 MHz, e un guadagno tipico di 440.
1) Mi verrebbe da dire che al piccolo segnale vale
, quanto è sbagliata questa affermazione?2) La frequenza di "cut-off" come viene definita? Il datasheet non dice nulla. Il trasferimento tra corrente di base e di collettore viene tagliato a 155 MHz oppure devo dividere anche per il guadagno (350 kHz)? Il modello Spice del produttore sembra suggerire quest'ultima cosa.
