Ricombinare ingressi e uscite a 24 Vac
Buongiorno a chi legge.
Avrei un quesito da porvi perché son troppo crudo per arrivarci da solo, anche se ci sto provando, ma ancora senza successo.
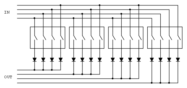
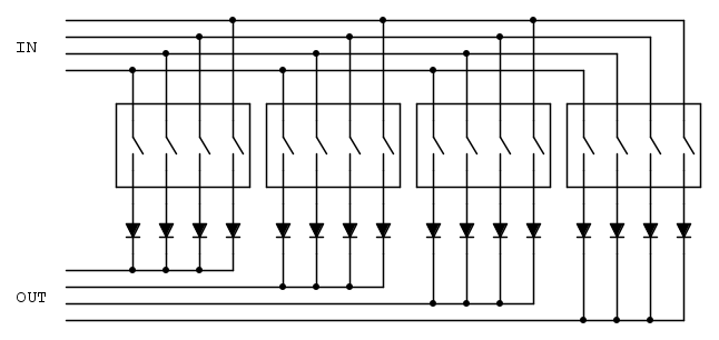
Ho una centralina che mi fornisce 4 uscite a 24 Vac con un comune in comune
.
Con queste uscite dovrei pilotare 4 elettrovalvole sempre a 24 Vac.
Vorrei, per ogni uscita, poter decidere, attivando dei semplici dip switch, quali uscite pilotare.
Questo perché la capacità dell'impianto è superiore a quella del singolo circuito e in questo modo potrei sfruttare meglio l'irrigazione.
Ad es. potrei attivare le zone 1 e 2 con la prima uscita, le zone 3 e 4 con la seconda e di nuovo la 1 e 2 con la terza.
In questo modo potrei dare tempo al terreno di assorbire la prima dose di acqua prima di dare la seconda migliorando l'assorbimento del terreno.
Oppure, in un altro periodo dell'anno, avviarle tutte assieme con portata minore e ridurre così il tempo di accensione.
Per questo i dip switch, perché così sarebbe riprogrammabile rapidissimamente anche da una scimmia, cioè io.
Avevo già fatto una cosa simile in passato, ma in corrente continua, per cui si trattava solo di mettere alcuni diodi e la cosa era risultata piuttosto semplice.
Ora, però, vorrei riprodurre qualcosa di analogo in alternata e qui casca l'asino, sempre io.
Come potrei fare?
Il circuito dovrebbe essere il più semplice possibile, per venire incontro alle mie capacità mentali di scimmia/asino.
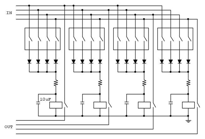
Al momento stavo ragionando sui triac, che non so ben usare, per cui sto iniziando a studiarli.
Quindi fare qualcosa di simile a quanto fatto in continua ma con i triac. Ok, di simile ci sarà ben poco se non vagamente il concetto di isolare i vari elementi in modo che non vadano in corto tra di loro.
Non ho alimentazioni di altro tipo, per cui il circuito dovrà alimentarsi unicamente partendo dalle 4 linee a 24 Vac che sono le uscite della centralina, quando attive.
Ci sarà attiva una sola uscita per volta.
Non ho idea se le uscite spente si possano considerare in alta impedenza e quindi parallelizzabili senza rischiare di fare un mega corto circuito, ma a naso direi di no, quindi al momento la sto escludendo come ipotesi concentrandomi sull'evitare tutti questi potenziali corto circuiti.
Per ora non posto schemi perché quello che ho trovato lo sto ancora studiando per capire se utile o papabile.
Avete qualche suggerimento?
Grazie mille a tutti, specie a chi è arrivato a leggere fin qui
Maurizio
Avrei un quesito da porvi perché son troppo crudo per arrivarci da solo, anche se ci sto provando, ma ancora senza successo.
Ho una centralina che mi fornisce 4 uscite a 24 Vac con un comune in comune
Con queste uscite dovrei pilotare 4 elettrovalvole sempre a 24 Vac.
Vorrei, per ogni uscita, poter decidere, attivando dei semplici dip switch, quali uscite pilotare.
Questo perché la capacità dell'impianto è superiore a quella del singolo circuito e in questo modo potrei sfruttare meglio l'irrigazione.
Ad es. potrei attivare le zone 1 e 2 con la prima uscita, le zone 3 e 4 con la seconda e di nuovo la 1 e 2 con la terza.
In questo modo potrei dare tempo al terreno di assorbire la prima dose di acqua prima di dare la seconda migliorando l'assorbimento del terreno.
Oppure, in un altro periodo dell'anno, avviarle tutte assieme con portata minore e ridurre così il tempo di accensione.
Per questo i dip switch, perché così sarebbe riprogrammabile rapidissimamente anche da una scimmia, cioè io.
Avevo già fatto una cosa simile in passato, ma in corrente continua, per cui si trattava solo di mettere alcuni diodi e la cosa era risultata piuttosto semplice.
Ora, però, vorrei riprodurre qualcosa di analogo in alternata e qui casca l'asino, sempre io.
Come potrei fare?
Il circuito dovrebbe essere il più semplice possibile, per venire incontro alle mie capacità mentali di scimmia/asino.
Al momento stavo ragionando sui triac, che non so ben usare, per cui sto iniziando a studiarli.
Quindi fare qualcosa di simile a quanto fatto in continua ma con i triac. Ok, di simile ci sarà ben poco se non vagamente il concetto di isolare i vari elementi in modo che non vadano in corto tra di loro.
Non ho alimentazioni di altro tipo, per cui il circuito dovrà alimentarsi unicamente partendo dalle 4 linee a 24 Vac che sono le uscite della centralina, quando attive.
Ci sarà attiva una sola uscita per volta.
Non ho idea se le uscite spente si possano considerare in alta impedenza e quindi parallelizzabili senza rischiare di fare un mega corto circuito, ma a naso direi di no, quindi al momento la sto escludendo come ipotesi concentrandomi sull'evitare tutti questi potenziali corto circuiti.
Per ora non posto schemi perché quello che ho trovato lo sto ancora studiando per capire se utile o papabile.
Avete qualche suggerimento?
Grazie mille a tutti, specie a chi è arrivato a leggere fin qui
Maurizio



