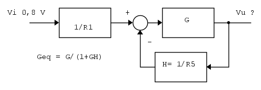
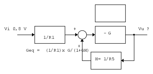
Circuito OPA con reazioni multiple
Girovagando nel web, ho trovato in "reddit" uno schema che non riesco risolvere a mente. Per amor proprio, mi dico che se mi impegnassi riuscirei sicuramente a risolverlo, ma fa caldo, mi costa meno fatica ridisegnarlo, postarlo e vedere se qualcuno trova brillantemente la soluzione.



