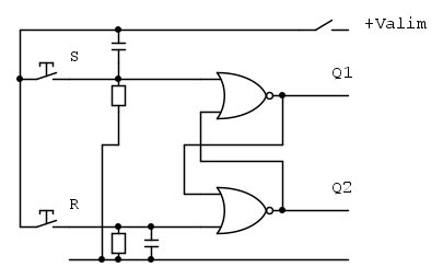
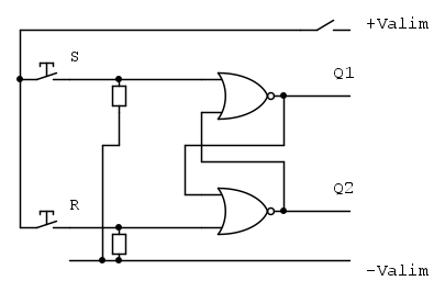
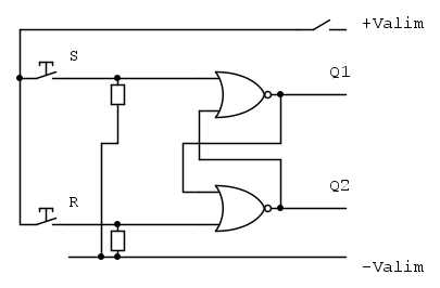
Latch SR: stato iniziale
So, o almeno penso di sapere, come funziona un latch SR. Tuttavia c'è qualcosa che non riesco a capire bene. Supponiamo di aver realizzato un latch SR con due porte NOR. Ho letto che quando accendiamo il circuito (anche come esperimento mentale) la sua uscita sarà stabilmente Q=1 oppure Q=0 in dipendenza di quale delle due NOR risulta più veloce. Ora io ho provato a immaginarmi cosa succede istante per istante, dando per scontato, per fissare le idee, che la prima NOR sia sempre leggermente più veloce della seconda, ma sembra che tutto permanga in una continua instabilità. C'è qualcuno che può spiegarmi in dettaglio cosa accade e come il latch raggiunge stabilmente uno dei due stati?



