Controllo e visualizzazione ingresso a impulsi
Buongiorno a tutti.
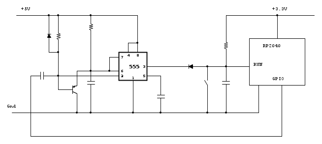
Avrei bisogno di uno schema che mi legga lo stato di un ingresso.
Il led resta spento quando l input cambia di stato ,se invece l input resta fisso, sia con 'l input basso. O alto.
Se nel tempo di 1 secondo, il segnale non cambia stato , cioè se nell ultimo secondo non ha cambiato il suo stato per. 1 secondo mi accende il led per 4 .
Il tutto è alimentato a 5 volt. Ed l impulso e di circa 5 cambi di stato al secondo.
Ringrazio bin anticipo per il vostro aiuto
Avrei bisogno di uno schema che mi legga lo stato di un ingresso.
Il led resta spento quando l input cambia di stato ,se invece l input resta fisso, sia con 'l input basso. O alto.
Se nel tempo di 1 secondo, il segnale non cambia stato , cioè se nell ultimo secondo non ha cambiato il suo stato per. 1 secondo mi accende il led per 4 .
Il tutto è alimentato a 5 volt. Ed l impulso e di circa 5 cambi di stato al secondo.
Ringrazio bin anticipo per il vostro aiuto





