Pagina 1 di 1
Clonare attivamente un canale bilanciato

Inviato:
14 ago 2012, 13:38
da francos
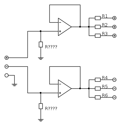
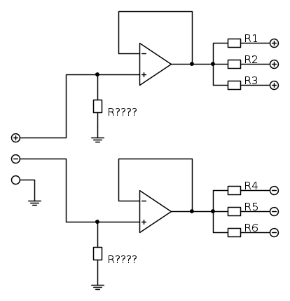
Ciao, a livello teorico vorrei sapere come si duplica attivamente un segnale bilanciato con alimentazione duale, cosi è sbagliato ?
Re: Clonare attivamente un canale bilanciato

Inviato:
14 ago 2012, 19:11
da JAndrea
Direi di no.
Hai usato due operazionali in configurazione di buffer, quindi con guadagno unitario, per "clonare" sia il segnale "caldo" che quello "freddo", io non ci vedo nulla di sbagliato, anzi un circuito uguale l' ho visto anche realizzato su un distributore audio professionale.
Re: Clonare attivamente un canale bilanciato

Inviato:
14 ago 2012, 19:18
da francos
praticamente si può lasciare anche cosi 'nudo e crudo' ?
mi chiedevo se bisogna metterci qualche resistenza, per esempio tipo quella di polarizzazione, oppure qualche condensatore in uscita, spero di essermi spiegato bene.
Re: Clonare attivamente un canale bilanciato

Inviato:
14 ago 2012, 19:27
da JAndrea
Questa è proprio una bella domanda, un circuito come quello da te disegnato funzionerà sicuramente, su questo non c'è dubbio, ma quasi quasi aggiungerei in serie all' uscita un condensatore di disaccoppiamento per rimuovere eventuali componenti continue.
Anche se per questo aspetterei il parere di qualcun altro.
Re: Clonare attivamente un canale bilanciato

Inviato:
18 set 2012, 0:34
da francos
Mi può creare dei problemi inaspettati una soluzione cosi ?
R???? non credo sia necessaria vero ?