Pagina 1 di 1

Doppia Uscita Operazionale

MessaggioInviato: 28 ott 2012, 23:17
da francos
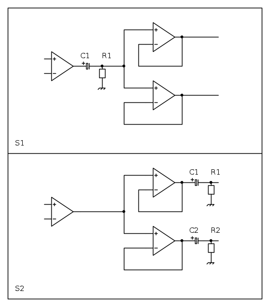
Ciao, ho disegnato due schemi con FIDOCAD che ho nominato S1 e S2, è uno stadio di uscita audio, vorrei utilizzare S1 perché è più pratico, ma faccio la cosa giusta ?


Re: Doppia Uscita Operazionale

MessaggioInviato: 30 ott 2012, 0:20
da SerTom
Dipende dal segnale di ingresso (è riferito a massa, ha una componente continua?) dall'alimentazione degli operazionali (singola o duale ?) e da cosa c'è collegato in uscita, ovvero l'ingresso dello stadio successivo.

Salvo questo, in linea di massima i circuiti sono equivalenti.

Bye O_/ Ser.Tom

P.S a quale scopo usi un doppio stadio amplificatore identico ?

Re: Doppia Uscita Operazionale

MessaggioInviato: 30 ott 2012, 1:04
da francos
SerTom ha scritto:Dipende dal segnale di ingresso (è riferito a massa, ha una componente continua?)

garage di sala prove, quindi le sorgenti posso essere molteplici
SerTom ha scritto:dall'alimentazione degli operazionali (singola o duale ?)

duale 17+17
SerTom ha scritto:e da cosa c'è collegato in uscita, ovvero l'ingresso dello stadio successivo.?

un uscita è collegata ad un mixer
SerTom ha scritto: a quale scopo usi un doppio stadio amplificatore identico ?

un uscita è collegata ad una scheda audio .....in registrazione

quindi posso ....come dire...risparmiare ? :-)