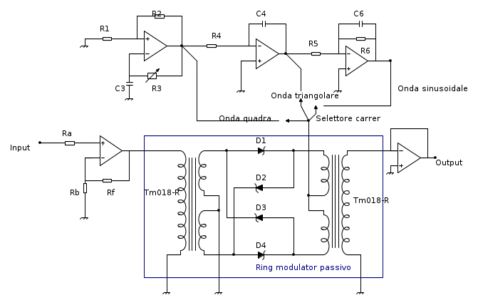
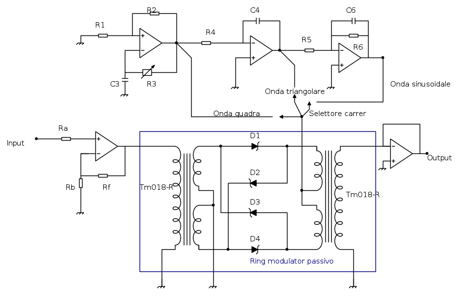
Funzionamento Ring-modulator passivo
Cari amici di EY buon pomeriggio.
Quest'oggi trovandomi a parlare del più e del meno con un mio compagno di corso siamo arrivati a "sbattere" sui ring modulator,un po' come quando su youtube parti dai pink floyd ed arrivi a filmati di pecore urlanti.
Sfruttando la Wi-fi dell università ed il mio velocissimo smartphone abbiamo visionato qualche circuitino..
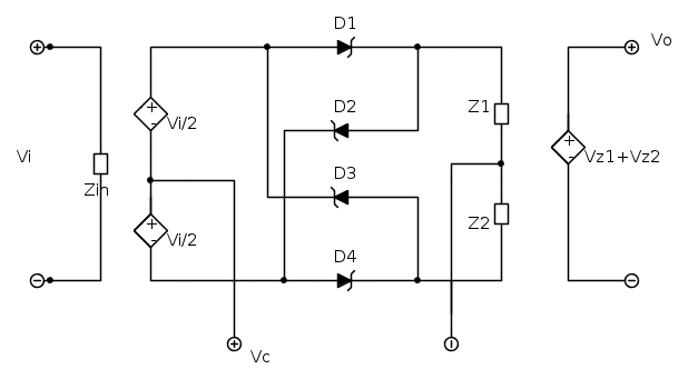
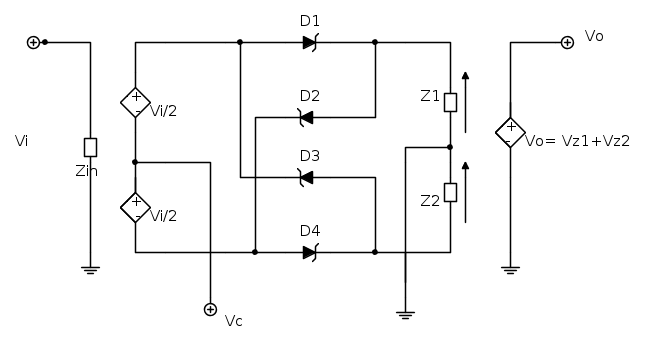
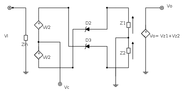
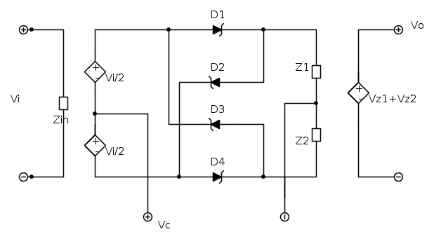
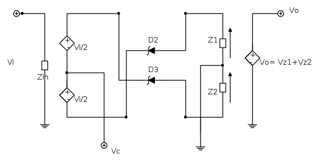
La nostra attenzione è ricaduta si di un ring modulator passivo e non-lineare il cui funzionamento non mi è per niente chiaro e vorrei a tal proposito qualche dritta per capirci qualcosa in più.
Ammesso e non concesso che il ring modulator ringmodulatorizzi ho pensato,probabilmente sbagliando,di aggiungerci qualcosa in più per poterlo usare con la chitarra..
-Un amplificatore in ingresso per il segnale della chitarra
-Un generatore di onda quadra,triangolare e sinusoidale con selettore (il tutto da dimensionare opportunamente) che saranno il mio ingresso modulante
-Un buffer in uscita
Al di là di tutto, mi interessa come approcciarmi allo studio del ring modulator..poi la realizzazione avverrà in un secondo momento.
Grazie dell'attenzione
Quest'oggi trovandomi a parlare del più e del meno con un mio compagno di corso siamo arrivati a "sbattere" sui ring modulator,un po' come quando su youtube parti dai pink floyd ed arrivi a filmati di pecore urlanti.
Sfruttando la Wi-fi dell università ed il mio velocissimo smartphone abbiamo visionato qualche circuitino..
La nostra attenzione è ricaduta si di un ring modulator passivo e non-lineare il cui funzionamento non mi è per niente chiaro e vorrei a tal proposito qualche dritta per capirci qualcosa in più.
Ammesso e non concesso che il ring modulator ringmodulatorizzi ho pensato,probabilmente sbagliando,di aggiungerci qualcosa in più per poterlo usare con la chitarra..
-Un amplificatore in ingresso per il segnale della chitarra
-Un generatore di onda quadra,triangolare e sinusoidale con selettore (il tutto da dimensionare opportunamente) che saranno il mio ingresso modulante
-Un buffer in uscita
Al di là di tutto, mi interessa come approcciarmi allo studio del ring modulator..poi la realizzazione avverrà in un secondo momento.
Grazie dell'attenzione



quando
e
quando























