Sampietrini che si illuminano al calpestarli
Buongiorno a tutti,
vorrei realizzare un circuito che alla pressione di un tasto accenda immediatamente una serie di luci LED che si spengano poi lentamente (in 5 sec).
Il sistema deve però essere funzionante solo per 8 ore al giorno (eventualmente anche per 12)
Mi è stato suggerito di utilizzare un CD4060 per la temporizzazione
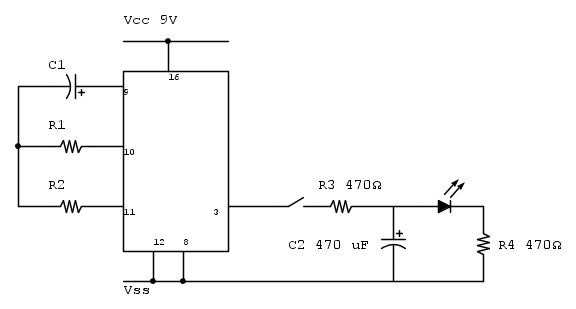
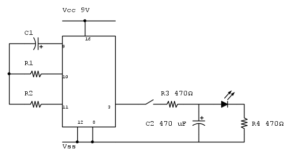
Io ho abbozzato questo
Da qui diverse domande:
Ho difficoltà nel capire il valore di resistenze e condensatori da utilizzare.
Secondo i miei calcoli se dopo 16 ore devo portare il pin 3 a Vcc dovrò aspettare 57000 sec.
Ho trovato però due formule per calcolare R1 e C1 la prima mi dice che il pin 3 andrà alto dopo R1xC1x1,2x16348 secondi, la seconda è che la frequenza generata è F=1/(R1xC1x2,2).
perché questa discordanza?
Immagino che per tenerlo 8ore acceso e 16h spento il circuito sarà più complicato di questo.
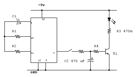
Se decidessi di portare alto il pin 3 per 12 ore, semplificherei il circuito di controllo del 4060 come in schema?
Grazie mille
Luca
vorrei realizzare un circuito che alla pressione di un tasto accenda immediatamente una serie di luci LED che si spengano poi lentamente (in 5 sec).
Il sistema deve però essere funzionante solo per 8 ore al giorno (eventualmente anche per 12)
Mi è stato suggerito di utilizzare un CD4060 per la temporizzazione
Io ho abbozzato questo
Da qui diverse domande:
Ho difficoltà nel capire il valore di resistenze e condensatori da utilizzare.
Secondo i miei calcoli se dopo 16 ore devo portare il pin 3 a Vcc dovrò aspettare 57000 sec.
Ho trovato però due formule per calcolare R1 e C1 la prima mi dice che il pin 3 andrà alto dopo R1xC1x1,2x16348 secondi, la seconda è che la frequenza generata è F=1/(R1xC1x2,2).
perché questa discordanza?
Immagino che per tenerlo 8ore acceso e 16h spento il circuito sarà più complicato di questo.
Se decidessi di portare alto il pin 3 per 12 ore, semplificherei il circuito di controllo del 4060 come in schema?
Grazie mille
Luca



