Problema su attrito
Salve, sto cercando di risolvere l'esercizio di cui riporto la traccia:
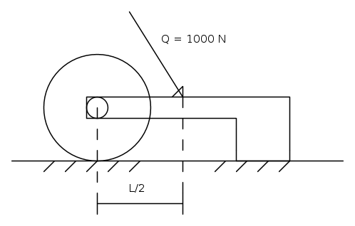
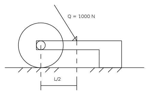
Si disegnino i diagrammi di corpo libero per il sistema indicato in figura sottoposto ad un carico Q=1000 N e si valutino le condizioni di equilibrio statico, separatamente nella condizione di attrito trascurabile e nella condizione di attrito di strisciamento descritto da un coefficiente pari a 0.5 ed un coefficiente di attrito volvente pari a 0.03 per la ruota, al fine di calcolare il momento motore sulla ruota.
Ho bisogno d'aiuto sull'intero svolgimento dell'esercizio. Grazie in anticipo a chi mi aiuterà.

Si disegnino i diagrammi di corpo libero per il sistema indicato in figura sottoposto ad un carico Q=1000 N e si valutino le condizioni di equilibrio statico, separatamente nella condizione di attrito trascurabile e nella condizione di attrito di strisciamento descritto da un coefficiente pari a 0.5 ed un coefficiente di attrito volvente pari a 0.03 per la ruota, al fine di calcolare il momento motore sulla ruota.
Ho bisogno d'aiuto sull'intero svolgimento dell'esercizio. Grazie in anticipo a chi mi aiuterà.


