Amplificatore JFET
Ciao a tutti,
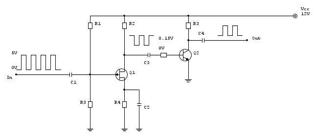
Io avrei bisogno di attenuare un segnale con dei componenti discreti. Come primo stadio avevo intenzione di usare un amplificatore a JFET (a canale N) con source comune in modo da ottenere il segnale sul drain sfasato di 180 gradi rispetto l'ingresso. In cascata metterei un BJT tipo un (BC 328) per reinvertire il segnale del deain. In questo modo otterrei il segnale d'ingresso attenuato perfettamente in fase. Ho tiragto giù uno schema molto semplice e ve lo riporto qui sotto.
Come si vede dallo schema il segnale d'ingresso è un segnale rettangolare con ampiezza massima di 5 volt.
Il primo Q1 dovrebbe attenuare il segnale fino a 150 mV. Quindi l'uscita (dal JFET) deve avere un guadagno in tensione A di -Vout/Vin = 0.15/5 = 0.03. e fin qui ci sono (nulla di diverso rispetto agli A.O.).
Chi può aiutarmi con degli esempi a polarizzare correttamente il FET Q1 e il transistore Q2 in modo da ottenere tale amplificazione? Io onestamente non so neanche da che parte iniziare.
Un saluto a tutti,
lcua31989
Io avrei bisogno di attenuare un segnale con dei componenti discreti. Come primo stadio avevo intenzione di usare un amplificatore a JFET (a canale N) con source comune in modo da ottenere il segnale sul drain sfasato di 180 gradi rispetto l'ingresso. In cascata metterei un BJT tipo un (BC 328) per reinvertire il segnale del deain. In questo modo otterrei il segnale d'ingresso attenuato perfettamente in fase. Ho tiragto giù uno schema molto semplice e ve lo riporto qui sotto.
Come si vede dallo schema il segnale d'ingresso è un segnale rettangolare con ampiezza massima di 5 volt.
Il primo Q1 dovrebbe attenuare il segnale fino a 150 mV. Quindi l'uscita (dal JFET) deve avere un guadagno in tensione A di -Vout/Vin = 0.15/5 = 0.03. e fin qui ci sono (nulla di diverso rispetto agli A.O.).
Chi può aiutarmi con degli esempi a polarizzare correttamente il FET Q1 e il transistore Q2 in modo da ottenere tale amplificazione? Io onestamente non so neanche da che parte iniziare.
Un saluto a tutti,
lcua31989
