[PIC16F877] Problema funzionamento LCD
Salve,
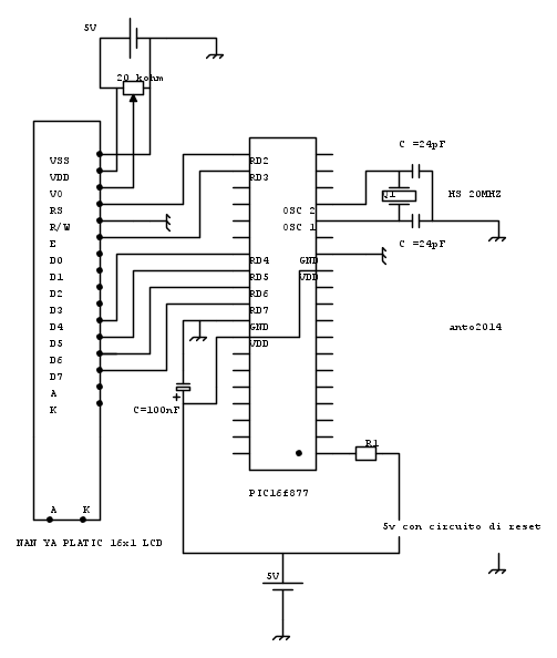
ho un display che proprio non vuole saperne di fare il suo lavoro (o forse è la mia inesperienza) è un LCD 16x1(16 caratteri sulla stessa colonna) della NAN YA PLASTIC mod LMKC3R006C2E
il datasheet l' ho trovato qui: http://www.mark-products.com/pdf/c16x1/ ... 20spec.pdf
Ho collegato il display ad un trimmer come riportato nel datascheet e il rusultato è questo:
-primi 8 caratteri spenti e i restanti 8 accesi
-una volta "collegato" il picmicro no succede niente.
2° tentativo:
Ho usato un trimmer per regolare il contrasto e un altro per regolare la tensione di alimentazione, risultato:
-variando la tensione dei trimmer tutti i caratteri accesi
-collegato il display al picmicro tutti i caretteri si sono spenti
Ho usato due librerie diverse per gli LCD ma niente, inoltre sul datascheet non viene riportato il diagramma di flusso per l' inizializzazione ma leggendo l' interfce timing (data write) a pag. 8 vedo che i tempi minimi sono tutti al di sotto di quelli normalmente usati nello standard HD44780 quindi deduco (dal basso della mia enesperienza
) che con la stessa libreria dovrebbe funzionare,
consigli ?
PS sono tre giorni che ci sbatto la testa
ho un display che proprio non vuole saperne di fare il suo lavoro (o forse è la mia inesperienza) è un LCD 16x1(16 caratteri sulla stessa colonna) della NAN YA PLASTIC mod LMKC3R006C2E
il datasheet l' ho trovato qui: http://www.mark-products.com/pdf/c16x1/ ... 20spec.pdf
Ho collegato il display ad un trimmer come riportato nel datascheet e il rusultato è questo:
-primi 8 caratteri spenti e i restanti 8 accesi
-una volta "collegato" il picmicro no succede niente.
2° tentativo:
Ho usato un trimmer per regolare il contrasto e un altro per regolare la tensione di alimentazione, risultato:
-variando la tensione dei trimmer tutti i caratteri accesi
-collegato il display al picmicro tutti i caretteri si sono spenti
Ho usato due librerie diverse per gli LCD ma niente, inoltre sul datascheet non viene riportato il diagramma di flusso per l' inizializzazione ma leggendo l' interfce timing (data write) a pag. 8 vedo che i tempi minimi sono tutti al di sotto di quelli normalmente usati nello standard HD44780 quindi deduco (dal basso della mia enesperienza
consigli ?
PS sono tre giorni che ci sbatto la testa

