Problema funzionamento PIC16F877A su bread board
Salve a tutti,
ho ralizzato un semplice programma utilizzando la Easy PIC 5 della Microchip che fa lampeggiare un led.
Sto utilizzando il Mikrobasic così configurato:
- PIC 16F877A
- Clock 8MHz
- _PWRTE_ON
- _WDT_OFF
- _HS_OSC
Il codice (semplicissimo perché si tratta di un esempio) è il seguente:
Ora sulla Easy PIC tutto funziona perfettamente ma quando monto il PIC sulla mia bread board la portb.0 rimane a livello logico basso (0V) senza effettuare il lampeggio.
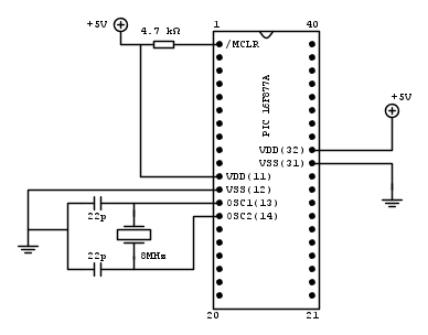
Ho realizzato il seguente schema elettrico:
Allego anche alcune foto.
Non riesco a capire dove sbaglio o se c'è qualcosa di errato nella configurazione, programmazione o realizzazione del circuito.
Qualcuno di voi riesce a darmi qualche suggerimento?
Grazie mille.
ho ralizzato un semplice programma utilizzando la Easy PIC 5 della Microchip che fa lampeggiare un led.
Sto utilizzando il Mikrobasic così configurato:
- PIC 16F877A
- Clock 8MHz
- _PWRTE_ON
- _WDT_OFF
- _HS_OSC
Il codice (semplicissimo perché si tratta di un esempio) è il seguente:
- Codice: Seleziona tutto
program Lampeggio
main:
trisb.0=0
Label:
portb.0=1
Delay_ms(2000)
portb.0=0
Delay_ms(2000)
goto Label
End.
Ora sulla Easy PIC tutto funziona perfettamente ma quando monto il PIC sulla mia bread board la portb.0 rimane a livello logico basso (0V) senza effettuare il lampeggio.
Ho realizzato il seguente schema elettrico:
Allego anche alcune foto.
Non riesco a capire dove sbaglio o se c'è qualcosa di errato nella configurazione, programmazione o realizzazione del circuito.
Qualcuno di voi riesce a darmi qualche suggerimento?
Grazie mille.
