Pagina 1 di 4
Pierin e sonde temperatura

Inviato:
16 apr 2014, 17:53
da crovax
Ciao a tutti!
Ho collegato al pierin la sonda LM35, e tramite lo ADC riesco perfettamente a leggere la temperatura. Il problema, è che se attacco alla stessa alimentazione del pierin un rele', crea tantissimi disturbi e la temperatura inizia a segnare valori senza senso.
Ho provato a mettere un condensatore in parallelo fra i pin di alimentazione dello lm35 ma non cambia nulla.
Esistono altre soluzioni?
Oppure mi conviene passare ad una sonda ds1820 digitale? Il problema è che non l'ho mai utilizzata, e non saprei proprio da dove cominciare..
Potete segnalarmi qualche articolo interessante?
Grazie per l'aiuto :)
Re: Pierin e sonde temperatura

Inviato:
16 apr 2014, 17:57
da DarwinNE
Potresti far vedere lo schema elettrico completo di tutto il circuito?
Come l'hai collegato il relè? Hai messo il diodo di ricircolo?
Re: Pierin e sonde temperatura

Inviato:
16 apr 2014, 18:03
da crovax
In questo momento sono su un PC senza fidocad, magari appena torno a casa lo faccio!
Comunque si, il rele ha il diodo di ricircolo. Non so se può essere d'aiuto, ma il relè comanda una presa sotto tensione di rete(220 V). E' collegato tramite un transistor al pin di controllo del PIC.
Re: Pierin e sonde temperatura

Inviato:
16 apr 2014, 22:14
da crovax
Ho letto che è buona norma, mettere una resistenza da qualche kohm sul Vout, e un paio di condensatori sulla tensione di entrata e su quella di uscita.
Confermate? o.O
Re: Pierin e sonde temperatura

Inviato:
16 apr 2014, 23:32
da Candy
Fai lo schema, completo, della tua realizzazione, poi ne riparliamo. E se non sei sul PC giusto, od altro, non stare a dirlo. Ne riparlerai dopo aver fatto lo schema.
Re: Pierin e sonde temperatura

Inviato:
17 apr 2014, 9:39
da crovax
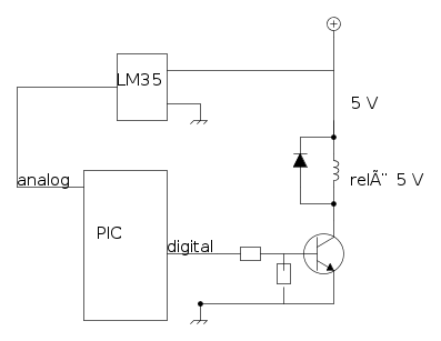
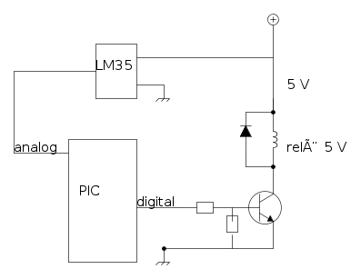
Scusate il ritardo, ecco lo schema:
Il rele' comanda una presa sotto tensione di rete 220 V.
Grazie a tutti! :)
Re: Pierin e sonde temperatura

Inviato:
17 apr 2014, 9:59
da VRI
crovax ha scritto:Il rele' comanda una presa sotto tensione di rete 220 V.
Qua sta il problema...Non è il relè che da problemi ma, chi è collegato sul contatto di quest'ultimo.
Il sensore di temperatura e il relè, a che distanza sono uno dall'altro?
Re: Pierin e sonde temperatura

Inviato:
17 apr 2014, 10:08
da crovax
Circa un metro di distanza. Ma i contatti della tensione di rete del relè, non dovrebbero essere perfettamente isolati dal resto? o.O
Re: Pierin e sonde temperatura

Inviato:
17 apr 2014, 10:51
da VRI
Esiste però l'accoppiamento di tipo induttivo: corrente alternata-> flusso magnetico alternato-> tensione indotta-> disturbo sulla tensione letta
Per essere sicuri sicuri, puoi verificare la "costanza" dei valori letti sull'ADC con il carico a 220 V scollegato dal relè?
Re: Pierin e sonde temperatura

Inviato:
17 apr 2014, 10:55
da crovax
Effettivamente mi sa che ci hai azzeccato!
Senza il carico a 220 V, la misura della temperatura è perfetta, è praticamente costante, oscilla ogni tanto del mezzo grado di accuratezza.
Appena collego il carico al relè invece, inizia ad impazzire! Oscilla anche di 30gradi!! O_O
Ma non c'è una soluzione?