Reattanza secondaria motore asincrono
Buongiorno a tutti,
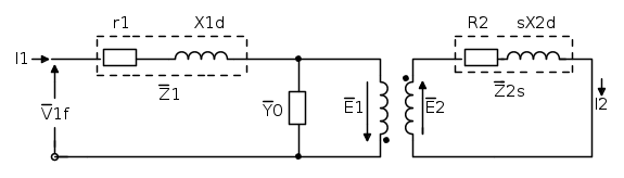
per un motore asincrono volevo calcolare la reattanza secondaria di dispersione, nota la geometria delle cave dove sono inserite le barre. Ahimè ho a che fare con cave chiuse di forma trapezia a base e cima chiuse da una semicirconferenza. Dato che le coppia massima del motore è funzione delle reattanze di disersione, la stima di tale reattanza è importante per la valutazione delle prestazioni corrette. Qualcuno utilizza il femm per fare tale calcolo? una formula che tenga conto di questo tipo di geometria? Grazie
per un motore asincrono volevo calcolare la reattanza secondaria di dispersione, nota la geometria delle cave dove sono inserite le barre. Ahimè ho a che fare con cave chiuse di forma trapezia a base e cima chiuse da una semicirconferenza. Dato che le coppia massima del motore è funzione delle reattanze di disersione, la stima di tale reattanza è importante per la valutazione delle prestazioni corrette. Qualcuno utilizza il femm per fare tale calcolo? una formula che tenga conto di questo tipo di geometria? Grazie
![\[X2ds=2\pi fr L2d=2\pi sf L2d=s2\pi f L2d\] \[X2ds=2\pi fr L2d=2\pi sf L2d=s2\pi f L2d\]](/forum/latexrender/pictures/abffcc0af60ae60f1b80a8eb4d93282e.png)
il valore della reattanza per s=1, si ricava X2ds = sX2d e l'impedenza secondaria diventa: ![\[\vec Z2s=R2+jsX2d \] \[\vec Z2s=R2+jsX2d \]](/forum/latexrender/pictures/49b0a01f24b3ce99a4d0ca286ffe6d45.png)
