Collegamento motore monofase
Buongiorno a tutti
ho comprato un motore dab k 45/50 M.
Il motore è monofase però è arrivato senza presa elettrica.
Ho fatto i collegamenti però non riesco ad allegare la foto.
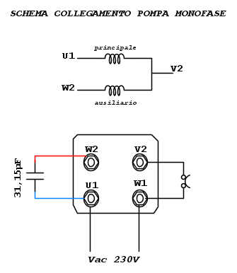
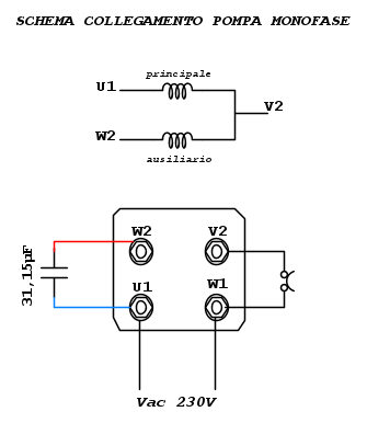
Ci sono quattro morsetti W1-U1 a destra e V2-W1 a sinistra U2e V1 al centro sono vuoti non ci sono i morsetti
io ho collegato i tre fili della presa così:
cavo giallo verde in alto a detra ( sotto una vite)
cavo blu in basso a sinistra (U1)
cavo marrone in basso a destra (V1)
é giusto?
Grazie a tutti
ho comprato un motore dab k 45/50 M.
Il motore è monofase però è arrivato senza presa elettrica.
Ho fatto i collegamenti però non riesco ad allegare la foto.
Ci sono quattro morsetti W1-U1 a destra e V2-W1 a sinistra U2e V1 al centro sono vuoti non ci sono i morsetti
io ho collegato i tre fili della presa così:
cavo giallo verde in alto a detra ( sotto una vite)
cavo blu in basso a sinistra (U1)
cavo marrone in basso a destra (V1)
é giusto?
Grazie a tutti

