collegamento teleruttori trifase
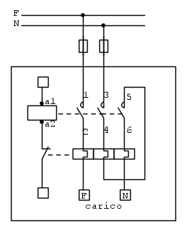
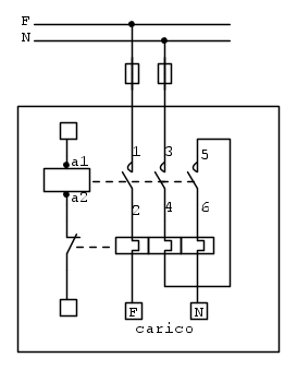
Ciao a tutti,questi due teleruttori trifase comandano due pompe monofase ,nelle foto si possono notare i due fili di fase 230 volt marroni e blu collegati rispettivamente ai morsetto di ingresso n.1 e n. 5 dei teleruttori.Per ciascuno vi e' collegato un salvamotore dove andra' collegata la rispettiva pompa monofase esterna con condensatore inserito nella scatola morsettiera.Volevo chiedere se e' giusto che venga tenuto libero il morsetto n.3 del contattore trifase e quindi anche l'uscita n. 4 del salvamotore ??Grazie .- 

