Trasformatore monofase-Calcolo corrente e rendimento
Buongiorno a tutti, volevo postarvi un esercizio che ho svolto e ho da colmare un dubbio.
L'esercizio è questo:
Determinare il modulo della corrente di magnetizzazione
.
Determinare il rendimento effettivo quando opera nelle condizioni di carico indicate.
DATI DI TARGA:
Potenza nominale=150 kVA

frequenza=50 Hz
PROVA A VUOTO :
, 
PROVA IN CORTOCIRCUITO:
,
Potenza assorbita dal carico Pout=110 kW

Inizio a determinare la corrente di magnetizzazione.
PASSO 1:
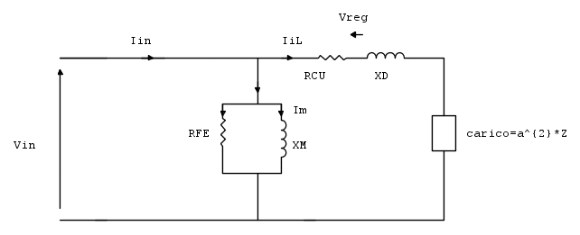
Il circuito iniziale è questo:
Ricavo innanzitutto la resistenza del ferro
e la reattanza di magnetizzazione
come:
e 
Ho ricavato il
e determinato l'angolo con l'arccoseno per poi inserirlo alla tangente.
Ricavo poi la resistenza del rame
e la reattanza di dispersione
, ovviamente prendo in considerazione il circuito a
ove
e
, ricavati grazie alla formula del trasporto d'impedenza.
Quindi ritornando al calcolo, avremo:
ove
(valori di targa del trasformatore)
(Passaggi analoghi a prima per ricavare l'angolo \Phi_c
PASSO 2:
Finalmente posso costruire il circuito a
Circuito che si ottiene trasportando tutto al primario, supponendo che ai capi del carico vi sia la tensione nominale
, attraversato da una corrente di lavoro
.
Possiamo dire anche che:


Effettuo LKT alla maglia e ricavo che:
.
Bisogna determinare la tensione di regolazione
ai capi di Zcc .
La ricaviamo come:
Per ricavare Vreg, bisogna ricavare la corrente di lavoro che scorre per Zcc e per il carico, quindi sfruttando le informazioni del carico, abbiamo che:

Da qui posso adesso ricavare la corrente di magnetizzazione come:

Fin qui non ci siamo problemi.
CALCOLO DEL RENDIMENTO EFFETTIVO
Il rendimento effettivo lo determino come:

Ove:


Pout=dato del problema.
In alcuni casi chiede di determinare il rendimento convenzionale.
Qui mi sorge il dubbio:
Il rendimento convenzionale a differenza del rendimento effettivo, viene determinato grazie ai dati ricavati dalla prova a vuoto e dalla prova in corto, quindi nel caso dovessi determinarlo, dovrei fare in questo modo:

Sfruttando quindi direttamente i dati del problema.
E' sbagliata questa osservazione? Va bene il calcolo del rendimento effettivo?
Grazie in anticipo.
L'esercizio è questo:
Determinare il modulo della corrente di magnetizzazione
.Determinare il rendimento effettivo quando opera nelle condizioni di carico indicate.
DATI DI TARGA:
Potenza nominale=150 kVA

frequenza=50 Hz
PROVA A VUOTO :
, 
PROVA IN CORTOCIRCUITO:
,
Potenza assorbita dal carico Pout=110 kW

Inizio a determinare la corrente di magnetizzazione.
PASSO 1:
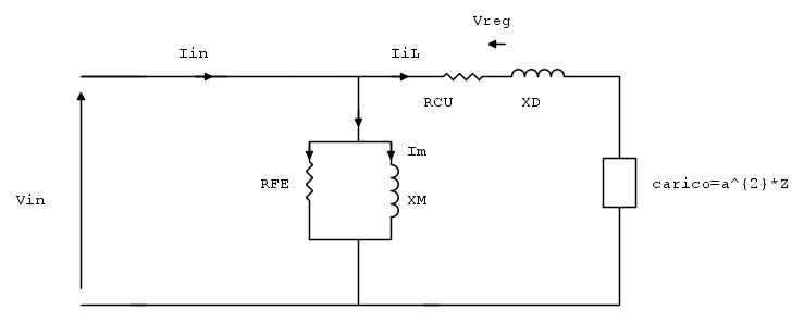
Il circuito iniziale è questo:
Ricavo innanzitutto la resistenza del ferro
e la reattanza di magnetizzazione
come:
e 
Ho ricavato il
e determinato l'angolo con l'arccoseno per poi inserirlo alla tangente. Ricavo poi la resistenza del rame
e la reattanza di dispersione
, ovviamente prendo in considerazione il circuito a
ove
e
, ricavati grazie alla formula del trasporto d'impedenza. Quindi ritornando al calcolo, avremo:
ove
(valori di targa del trasformatore)
(Passaggi analoghi a prima per ricavare l'angolo \Phi_cPASSO 2:
Finalmente posso costruire il circuito a

Circuito che si ottiene trasportando tutto al primario, supponendo che ai capi del carico vi sia la tensione nominale
, attraversato da una corrente di lavoro
.Possiamo dire anche che:


Effettuo LKT alla maglia e ricavo che:
.Bisogna determinare la tensione di regolazione
ai capi di Zcc .La ricaviamo come:

Per ricavare Vreg, bisogna ricavare la corrente di lavoro che scorre per Zcc e per il carico, quindi sfruttando le informazioni del carico, abbiamo che:

Da qui posso adesso ricavare la corrente di magnetizzazione come:

Fin qui non ci siamo problemi.
CALCOLO DEL RENDIMENTO EFFETTIVO
Il rendimento effettivo lo determino come:

Ove:


Pout=dato del problema.
In alcuni casi chiede di determinare il rendimento convenzionale.
Qui mi sorge il dubbio:
Il rendimento convenzionale a differenza del rendimento effettivo, viene determinato grazie ai dati ricavati dalla prova a vuoto e dalla prova in corto, quindi nel caso dovessi determinarlo, dovrei fare in questo modo:

Sfruttando quindi direttamente i dati del problema.
E' sbagliata questa osservazione? Va bene il calcolo del rendimento effettivo?
Grazie in anticipo.



