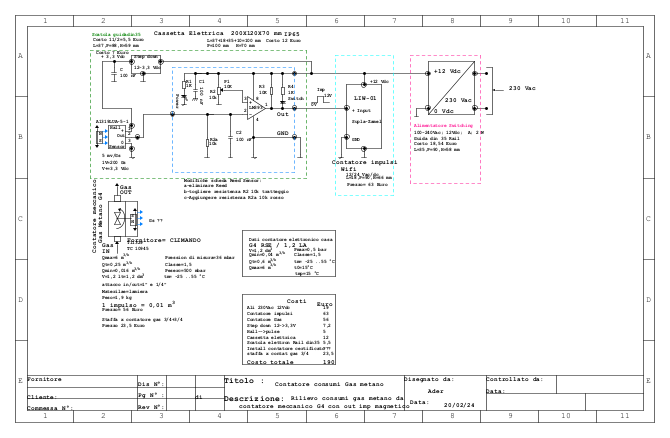
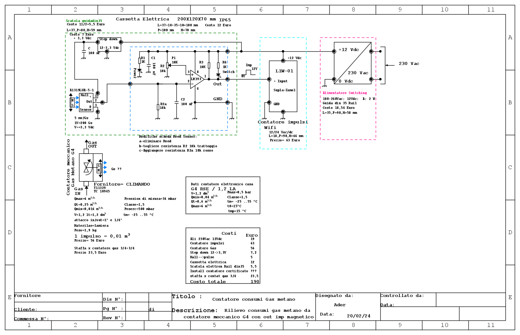
Rilievo consumi metano da contatore elettronico G4 RSE
Buongiorno,
vorrei rilevare il consumo di gas Naturale in Sm^3 dal mio contatore elettronico G4 RSE 1,2 LA.
Qualcuno lo ha già fatto ?
Se si, come.
Ho visto la possibilità di utilizzo della sonda ottica da applicare al contatore, ma poi con cosa la interfaccio, con quale up ?
Vorrei avere tutto in wifi come il sistema shelly per l'energia elettrica.
Grazie
Ciao
vorrei rilevare il consumo di gas Naturale in Sm^3 dal mio contatore elettronico G4 RSE 1,2 LA.
Qualcuno lo ha già fatto ?
Se si, come.
Ho visto la possibilità di utilizzo della sonda ottica da applicare al contatore, ma poi con cosa la interfaccio, con quale up ?
Vorrei avere tutto in wifi come il sistema shelly per l'energia elettrica.
Grazie
Ciao

