Tracciamento di diagramma di Bode
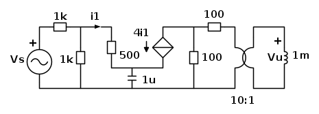
Ho un esame di elettrotecnica-teoria dei circuiti strutturato ad esercizi ma purtroppo non ne ho di svolti da prendere come esempio... Uno degli esercizi tipo dell'esame è così:

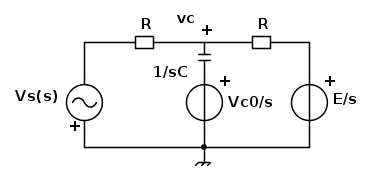
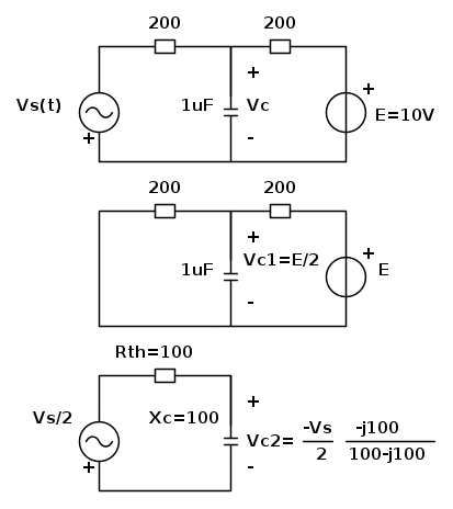
Dalle dispense di teoria sto cercardo di districarmi nella risoluzione, sono arrivato a queste considerazioni:
devo trovare la funzione di trasferimento H(s)=Vu/Vs, quindi trovo il circuito equivalente con la trasformata di laplace e le condizioni iniziali poste a zero



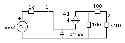
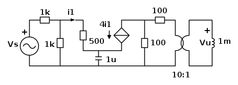
poi la parte sinistra del circuito vede le induttanze accoppiate n=10:1 (trasformatore?) come
Da qui userei la risoluzione ai nodi, mettendo a zero il nodo inferiore, semplificando la serie e il parallelo di impedenze sulla destra...
Se mi date un input poi provo a proseguire, da solo ho molta difficoltà a capire se quello che sto facendo ha un senso o sto sbagliando completamente!
Grazie mille in anticipo!

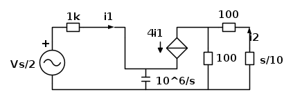
Dalle dispense di teoria sto cercardo di districarmi nella risoluzione, sono arrivato a queste considerazioni:
devo trovare la funzione di trasferimento H(s)=Vu/Vs, quindi trovo il circuito equivalente con la trasformata di laplace e le condizioni iniziali poste a zero



poi la parte sinistra del circuito vede le induttanze accoppiate n=10:1 (trasformatore?) come
Da qui userei la risoluzione ai nodi, mettendo a zero il nodo inferiore, semplificando la serie e il parallelo di impedenze sulla destra...
Se mi date un input poi provo a proseguire, da solo ho molta difficoltà a capire se quello che sto facendo ha un senso o sto sbagliando completamente!
Grazie mille in anticipo!













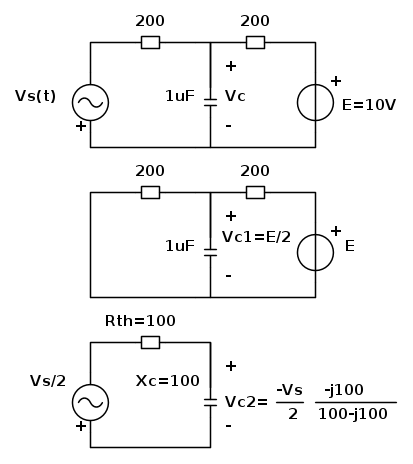
... mi lascia senza parole
per
, operando nel dominio del tempo (ovvero non con la trasformata di
e 





![y(t) = [y(0) + y_{\infty}]\cdot e^{-\frac{t}{\tau}} + y_{\infty} y(t) = [y(0) + y_{\infty}]\cdot e^{-\frac{t}{\tau}} + y_{\infty}](/forum/latexrender/pictures/d2ef17b1a8e8dceb266563be2b21afcb.png)
![v_{c_1}(t) = [-3V - 5V]\cdot e^{-\frac{t}{\tau}} + 5V v_{c_1}(t) = [-3V - 5V]\cdot e^{-\frac{t}{\tau}} + 5V](/forum/latexrender/pictures/1903e5bd0bab4a414e18b7d8ba33838b.png)
![v_{c_2}(t) = [-3V + cos(10000t-\pi /6)V]\cdot e^{-\frac{t}{\tau}} + cos(10000t-\pi /6)V v_{c_2}(t) = [-3V + cos(10000t-\pi /6)V]\cdot e^{-\frac{t}{\tau}} + cos(10000t-\pi /6)V](/forum/latexrender/pictures/b7f85f69a0bc8619d80bc821e4ed7457.png)










