Pagina 1 di 3

schema generatore di gradinata

MessaggioInviato: 28 giu 2011, 14:16
da alexnio
dovrei realizzare un generatore di gradinata a 16 livelli dove al livello 0 corrispondono 0 volt e al livello 16, 15 volt.... posso utilizzare solo componenti discreti operazionali, resistenze e condensatori.
Ho poca esperienza nella progettazione :-).... mi servirebbe uno schema elettrico per farmi un'idea :-)

Re: schema generatore di gradinata

MessaggioInviato: 28 giu 2011, 18:41
da g.schgor
Ecco un possibile schema (simulato in MicroCap9)
scalini.GIF
scalini.GIF (4.02 KiB) Osservato 5892 volte

Il generatore V3 genera impulsi (negativi) di 100mV con 50ms ON e 450ms OFF.
L’amplificatore operazionale, in configurazione da integratore, genera una rampa a gradini
scalini_g.GIF
scalini_g.GIF (3.73 KiB) Osservato 5893 volte

Per una realizzazione pratica occorre scegliere il tipo di oscillatore (puoi usare un 555?)

Re: schema generatore di gradinata

MessaggioInviato: 28 giu 2011, 21:40
da alexnio
ok grazie mille. Ma l'oscillatore 555 non posso usarlo perché credo sia un circuito integrato vero ? :oops:
anche se devo solo simularlo quindi credo non serva scervellarsi sull'oscillatore ;-)

Re: schema generatore di gradinata

MessaggioInviato: 29 giu 2011, 6:21
da g.schgor
Se l'oscillatore devi farlo con OpAmp,
vedi questo.

Re: schema generatore di gradinata

MessaggioInviato: 29 giu 2011, 11:07
da lelerelele
scusate se mi intrometto.

non capisco come funziona.

un generatore ad op, che genera una onda quadra,

collegato al circuito op che sarà integrato, dovrebbe generare la rampa con il periodo della quadra.

direi che se inserissi un diodo tra il generatore ed R1 potrei ottenere l'onda gradini mostrata.

Re: schema generatore di gradinata

MessaggioInviato: 29 giu 2011, 14:32
da g.schgor
Non mi è molto chiara l'obiezione, ma forse ti sfugge il fatto che
gli impulsi integrati sono molto "stretti", quindi la rampa per ciascun
gradino è quasi verticale, a cui segue una pausa relativamente "larga",
in cui l'uscita dell'integratore rimane costante (il gradino vero e proprio)

Re: schema generatore di gradinata

MessaggioInviato: 30 giu 2011, 9:28
da lelerelele
sto ancora cercando di capire questo circuito.

se c'è qualcosa che non mi torna non ci dormo la notte.

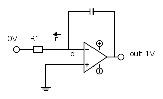
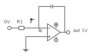
allora andando con ordine, se parto con questo,


ed applico all'ingresso 0V, ipotizzando di avere in uscita, 1V, avrei una piccola tensione in ingresso - leggermente negativa, per giustificare le tensione in uscita, perciò avrò in ingresso una piccola corrente di bias Ib ed una piccola corrente uscente Ir , verso l'ingresso, il tutto direi decine di uA, quindi giustificando la parte piana del gradino.

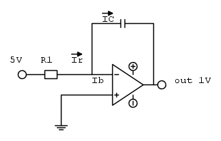
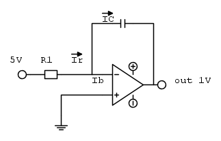
a questo punto arrivo qua,



se applico 5V all'ingresso, avrò corrente entrante, la quale porta alto l'ingresso -, il quale portando bassa l'uscita porta in retroazione il segnale sul - e quindi rimane stabile, sul valore di tensione del condensatore; avrò quindi corrente entrante Ir, la stessa corrente (trascurando la Ib) andrà a circolare su C1, caricandolo, attraverso l'uscita che tenderà ad andare bassa.

a questo punto non capisco come posso avere una rampa positiva come mostrato nello schema e non negativa.

dove è che sbaglio?

Re: schema generatore di gradinata

MessaggioInviato: 30 giu 2011, 11:17
da g.schgor
lelerelele ha scritto:se applico 5V all'ingresso....
dove è che sbaglio?

Perché dovresti applicare i 5V? (se guardi la figura
della simulazione in MicroCap vedi che l'impulso
è negativo e la pausa è 0V.
BTW : è errata anche prima conclusione che con
0V si ha una corrente negativa: perlomeno in teoria
il condensatore non dovrebbe né scaricarsi né scaricarsi
(in pratica, se il caso, basta compensare con un
piccolissimo valore )

Re: schema generatore di gradinata

MessaggioInviato: 30 giu 2011, 17:54
da lelerelele
E' vero, in effetti io mi ero basato sulla polarità dello schema, con generatore a +V sulla resistenza.

guardando appunto la simulazione con applicata invece tensione negativa si ribalta la questione ed in effetti è giusto.

rimane un circuito molto semplice costruttivamente ma interessante.

Re: schema generatore di gradinata

MessaggioInviato: 18 ago 2011, 9:10
da alexnio
grazie mille per la risposta :-)... R e C sono state scelte in modo tale che la costante di tempo del circuito sia inferiore a 50 ms?