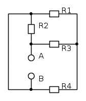
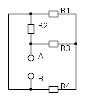
Esercizio Thevenin
http://imageshack.us/photo/my-images/8/compito001.jpg/
Buongiorno a tutti!!! Ringrazio in anticipo chi mostrerà attenzione verso la mia richiesta!
Sono una studentessa di ingegneria informatica che da circa un mese sta preparando l'esame di "Introduzione ai circuiti". Questa che ho linkato è la traccia dell'ultimo compito. Qualcuno saprebbe darmi delucidazioni sulla risoluzione del primo esercizio ? Grazie!!! Attendo risposte!!!!
Buongiorno a tutti!!! Ringrazio in anticipo chi mostrerà attenzione verso la mia richiesta!
Sono una studentessa di ingegneria informatica che da circa un mese sta preparando l'esame di "Introduzione ai circuiti". Questa che ho linkato è la traccia dell'ultimo compito. Qualcuno saprebbe darmi delucidazioni sulla risoluzione del primo esercizio ? Grazie!!! Attendo risposte!!!!

