Analisi Circuito (transitorio) con 3 generatori
Salve a tutti,
Sto combattendo da due giorni con questo circuito e nonostante io l'abbia pressocchè risolto, non sono sicuro sulla metodologia che ho utilizzato e su alcuni concetti:
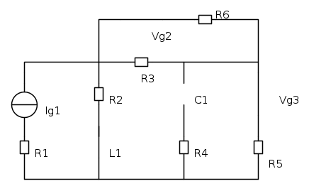
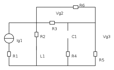
da calcolare
per 
con:




A questo punto ho utilizzato la sovrapposizioni degli effetti, calcolando le condizioni iniziali di C ed L per ognuna dei 3 generatori:

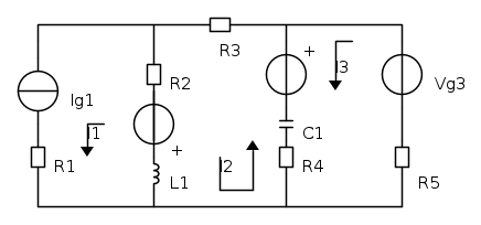
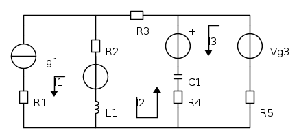
-Generatore di Corrente
Metto in corto i generatori di tensione e trattandosi di regime permanente posso sostituire all'induttore un corto circuito e al condensatore un circuito aperto.
Calcolo dunque la tensione del generatore di corrente , calcolando resistenza equivalente:
e infine
[giusto?]
a questo punto la corrente su
sarà la corrente del generatore, mentre la tensione sul condensatore sarà (spero di non essermi sbagliato)
dove
è la corrente al nodo tra R2, R3 e R6 che essendo in parallelo e uguali sarà
?
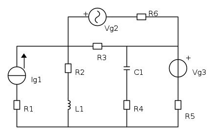
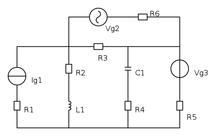
-GENERATORE DI TENSIONE COSTANTE
Qui ho usato praticamente lo stesso procedimento per il generatore prima, con la particolarità che il generatore di corrente diventa un circuito aperto..
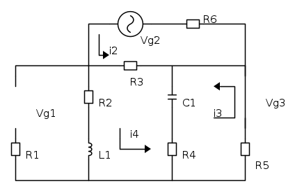
- GENERATORE DI TENSIONE ALTERNATA
Qui ho messo in corto il generatore di tensione costante, e in circuito aperto quello di corrente costante.
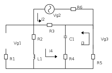
Dunque ho sostituito l'induttore con la sua impedenza :
e al condensatore
che semplificato diventa 
Qui imposto il metodo alle maglie al circuito :
(
=
?)
Fatto questo, mi calcolo la matrice sostituendo prima I4 e poi I3 e calcolando i relativi valori nella forma
e quindi, la corrente sull'induttore sarà
mentre la tensione sul condensatore sarà 
Sommando i tre effetti, otteniamo i valori iniziali degli elementi reattivi!!

Al tempo t>0, il generatore di tensione alternata si spegne (
)
e il circuito sarà così:
Quindi, ho sostituito all'induttore e al condensatore l'impedenza nel dominio di laplace, e ho creato il sistema con il metodo alle maglie che riporto:

Aldilà dei calcoli matematici, di cui non sono sicuro ma che non credo siano un grosso problema..mi interessava sapere se il mio ragionamento è giusto o se di contro ho fatto qualche errore (anche grave) a livello di comprensione/conoscenza.
Il problema piu grosso che ho incontrato è stato quello di far interagire i generatori di tensione alternata e quelli di continua!
Grazie a tutti (soprattutto perche siete stati pazienti e avete letto fino qui!
se mi dite come si fanno a dare i punti reputazione ve li do volentieri!)
Alessandro
Sto combattendo da due giorni con questo circuito e nonostante io l'abbia pressocchè risolto, non sono sicuro sulla metodologia che ho utilizzato e su alcuni concetti:
da calcolare
per 
con:




A questo punto ho utilizzato la sovrapposizioni degli effetti, calcolando le condizioni iniziali di C ed L per ognuna dei 3 generatori:

-Generatore di Corrente
Metto in corto i generatori di tensione e trattandosi di regime permanente posso sostituire all'induttore un corto circuito e al condensatore un circuito aperto.
Calcolo dunque la tensione del generatore di corrente , calcolando resistenza equivalente:
e infine
[giusto?]a questo punto la corrente su
sarà la corrente del generatore, mentre la tensione sul condensatore sarà (spero di non essermi sbagliato)
dove
è la corrente al nodo tra R2, R3 e R6 che essendo in parallelo e uguali sarà
?-GENERATORE DI TENSIONE COSTANTE
Qui ho usato praticamente lo stesso procedimento per il generatore prima, con la particolarità che il generatore di corrente diventa un circuito aperto..
- GENERATORE DI TENSIONE ALTERNATA
Qui ho messo in corto il generatore di tensione costante, e in circuito aperto quello di corrente costante.
Dunque ho sostituito l'induttore con la sua impedenza :
e al condensatore
che semplificato diventa 
Qui imposto il metodo alle maglie al circuito :
(
=
?)Fatto questo, mi calcolo la matrice sostituendo prima I4 e poi I3 e calcolando i relativi valori nella forma

e quindi, la corrente sull'induttore sarà
mentre la tensione sul condensatore sarà 
Sommando i tre effetti, otteniamo i valori iniziali degli elementi reattivi!!

Al tempo t>0, il generatore di tensione alternata si spegne (
)e il circuito sarà così:
Quindi, ho sostituito all'induttore e al condensatore l'impedenza nel dominio di laplace, e ho creato il sistema con il metodo alle maglie che riporto:

Aldilà dei calcoli matematici, di cui non sono sicuro ma che non credo siano un grosso problema..mi interessava sapere se il mio ragionamento è giusto o se di contro ho fatto qualche errore (anche grave) a livello di comprensione/conoscenza.
Il problema piu grosso che ho incontrato è stato quello di far interagire i generatori di tensione alternata e quelli di continua!
Grazie a tutti (soprattutto perche siete stati pazienti e avete letto fino qui!
Alessandro






