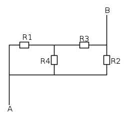
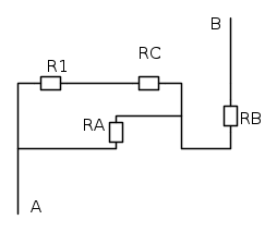
Calcolo resistenza equivalente
In questo circuito
la resistenza equivalente vista ai morsetti A-B è [(R1||R4)+R3]||R2?? Se è giusto non c'è un altro modo per calcolare la resistenza equivalente, nel senso di considerare riduzioni diverse??
Grazie
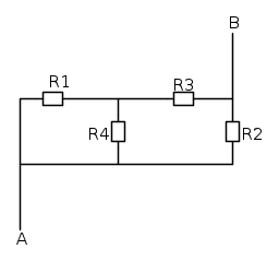
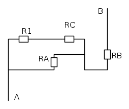
la resistenza equivalente vista ai morsetti A-B è [(R1||R4)+R3]||R2?? Se è giusto non c'è un altro modo per calcolare la resistenza equivalente, nel senso di considerare riduzioni diverse??
Grazie




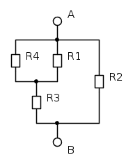
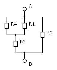
nella stella
