Rete del secondo ordine
Buongiorno a tutti. In una prova d'esame mi è capitata questa rete:
La rete è a regime per t<0. Valutare la tensione
del resistore
.
I dati sono questi:

![e_2(t)=[1-1(t)] E_M cos(10t + \pi/4) e_2(t)=[1-1(t)] E_M cos(10t + \pi/4)](/forum/latexrender/pictures/592529691d94897ba6df5217f3508db2.png)





Con
intendo la funzione gradino unitario.
Per t<0 il circuito diventa questo:
perché
è cortocircuitato, il generatore
si spegne perché la funzione
vale
se t<0. Da questo circuito devo calcolare
e
. Magari li calcolo con le correnti di maglia trasformando il circuito in un circuito di impendeze visto che il circuito è in regime sinusoidale.
Tutto giusto fin qui?
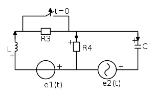
La rete è a regime per t<0. Valutare la tensione
del resistore
.I dati sono questi:

![e_2(t)=[1-1(t)] E_M cos(10t + \pi/4) e_2(t)=[1-1(t)] E_M cos(10t + \pi/4)](/forum/latexrender/pictures/592529691d94897ba6df5217f3508db2.png)





Con
intendo la funzione gradino unitario.Per t<0 il circuito diventa questo:
perché
è cortocircuitato, il generatore
si spegne perché la funzione
vale
se t<0. Da questo circuito devo calcolare
e
. Magari li calcolo con le correnti di maglia trasformando il circuito in un circuito di impendeze visto che il circuito è in regime sinusoidale.Tutto giusto fin qui?












