Regime sinusoidale - atto nono: il ritorno :D
Ciao a tutti 
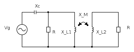
Sfogliando tra i rimanenti temi d'esame non ancora risolti, ho trovato un esercizio curioso
Si tratta di un circuito a regime sinusoidale, che vi riporto in figura:
Il testo richiede che si calcoli la potenza complessa erogata dal generatore.
Supponiamo, al solito, che i dati forniti sono riferiti ai valori massimi, e non a quelli efficaci.
Dati:




------------------------------------------------------------------------------------------
1) Calcolo le impedenze:



---------------------------------------------------------------------------------------------
2) Correnti di maglia:
Qui si fa avanti il problema...
Se gli induttori non fossero accoppiati, avrei tranquillamente buttato via tutta la parte destra del circuito.
Cosi non è, quindi impongo le seguenti correnti di maglia:
(Entranti dai pallini, cosi da avere
positivo)
Le 3 correnti di maglia le ho chiamate X, Y, K.
Ora scrivo le relazioni del mutuo induttore:


Le KVL sono:
Alla prima maglia.
Alla seconda maglia.
Alla terza maglia.
Per calcolare la potenza complessa, la corrente che mi serve è X.
Prima di andare avanti però vorrei chiedervi, non essendo il "classico" esercizio (almeno per me
), se quanto detto fin ora è corretto.
Grazie
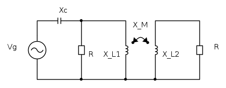
Sfogliando tra i rimanenti temi d'esame non ancora risolti, ho trovato un esercizio curioso
Si tratta di un circuito a regime sinusoidale, che vi riporto in figura:
Il testo richiede che si calcoli la potenza complessa erogata dal generatore.
Supponiamo, al solito, che i dati forniti sono riferiti ai valori massimi, e non a quelli efficaci.
Dati:




------------------------------------------------------------------------------------------
1) Calcolo le impedenze:



---------------------------------------------------------------------------------------------
2) Correnti di maglia:
Qui si fa avanti il problema...
Se gli induttori non fossero accoppiati, avrei tranquillamente buttato via tutta la parte destra del circuito.
Cosi non è, quindi impongo le seguenti correnti di maglia:
(Entranti dai pallini, cosi da avere
positivo)Le 3 correnti di maglia le ho chiamate X, Y, K.
Ora scrivo le relazioni del mutuo induttore:


Le KVL sono:
Alla prima maglia.
Alla seconda maglia.
Alla terza maglia.Per calcolare la potenza complessa, la corrente che mi serve è X.
Prima di andare avanti però vorrei chiedervi, non essendo il "classico" esercizio (almeno per me
Grazie








ho dovuto fare questi passaggi:
