Circuito del second'ordine - Transitorio
Ciao a tutti,
oggi ho fatto l'esame, e sono molto seccato...
Dopo aver fatto un'estate di esercizi (temi d'esame), su circuiti del primo ordine e regimi sinusoidali, mi esce il second'ordine e il trasformatore...
E a sezione non sen'è parlato manco da lontano, ma vabbè, è andata cosi, vorrà dire che devo imparare a fare pure questi...
(Sperando che al prossimo appello non venga fuori qualcosa di fantasioso)
Che poi lo schema del circuito era anche molto facile, dannazzione...
Calcolare la corrente i(t), t=0, t>0, sapendo che k chiude a t=0 e che la rete è a regime.
Dati:





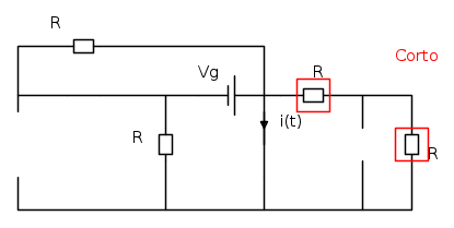
Circuito:
Per t=0, il circuito è aperto e non c'è corrente.
Non sapendo che fare con un circuito del second'ordine, equazioni differenziali?, altro?, ho fatto tutto come se fosse un solito esercizio, affidandomi alla compassione del Prof
Ho calcolato la resistenza letta ai capi di induttore e condensatore, con K chiuso..


Poi, visto che
, sono passato ad
...
Ovviamente, con sovrapposizione degli effetti:
Stacco il gen. di corrente:
2 resistori in corto, 2 in parallelo,
.
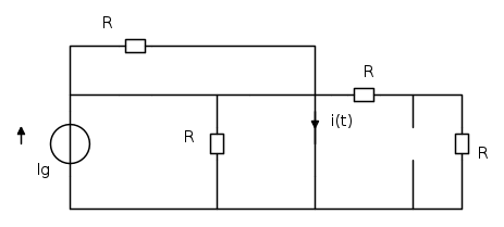
Stacco l'altro generatore:
Qua m'è sembrato tutto, tutto, in corto, per cui ho scritto:

Da cui:

Poi sono andato, come si suol dire, a "cappella" e ho scritto la soluta formuletta:

E ho scritto:


e taaanti puntini di sospensione
Ora, onestamente, prima e dopo il transitorio, i dati non dovrebbero essere poi cosi sballati, ma nel transitorio 0... ma meglio che lasciare in bianco...
Come si fanno questi esercizi, per favore?
Ps, gli esercizi del compito sono 2, quindi pensiamo che abbiano valore 15/30 l'uno...
Da 0 a 15, che voto dareste a questo svolgimento?
Giusto per capire se vale la pena ripassare la teoria, o fare meccanica dei fluidi
ahhahahahha
Grazie
oggi ho fatto l'esame, e sono molto seccato...
Dopo aver fatto un'estate di esercizi (temi d'esame), su circuiti del primo ordine e regimi sinusoidali, mi esce il second'ordine e il trasformatore...
E a sezione non sen'è parlato manco da lontano, ma vabbè, è andata cosi, vorrà dire che devo imparare a fare pure questi...
(Sperando che al prossimo appello non venga fuori qualcosa di fantasioso)
Che poi lo schema del circuito era anche molto facile, dannazzione...
Calcolare la corrente i(t), t=0, t>0, sapendo che k chiude a t=0 e che la rete è a regime.
Dati:





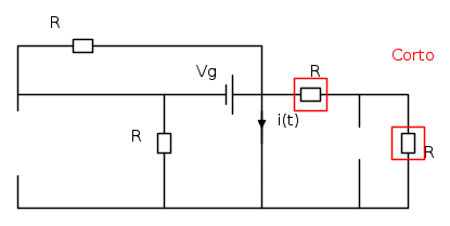
Circuito:
Per t=0, il circuito è aperto e non c'è corrente.
Non sapendo che fare con un circuito del second'ordine, equazioni differenziali?, altro?, ho fatto tutto come se fosse un solito esercizio, affidandomi alla compassione del Prof
Ho calcolato la resistenza letta ai capi di induttore e condensatore, con K chiuso..


Poi, visto che
, sono passato ad
...Ovviamente, con sovrapposizione degli effetti:
Stacco il gen. di corrente:
2 resistori in corto, 2 in parallelo,
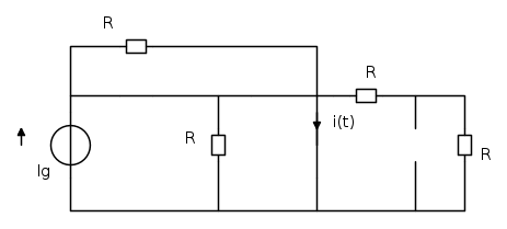
.Stacco l'altro generatore:
Qua m'è sembrato tutto, tutto, in corto, per cui ho scritto:

Da cui:

Poi sono andato, come si suol dire, a "cappella" e ho scritto la soluta formuletta:

E ho scritto:


e taaanti puntini di sospensione
Ora, onestamente, prima e dopo il transitorio, i dati non dovrebbero essere poi cosi sballati, ma nel transitorio 0... ma meglio che lasciare in bianco...
Come si fanno questi esercizi, per favore?
Ps, gli esercizi del compito sono 2, quindi pensiamo che abbiano valore 15/30 l'uno...
Da 0 a 15, che voto dareste a questo svolgimento?
Giusto per capire se vale la pena ripassare la teoria, o fare meccanica dei fluidi
ahhahahahha
Grazie




.
mentre gli esponenti potrebbero rapprensentale le 2
e
.