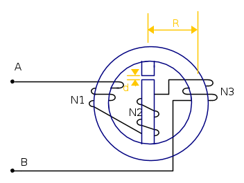
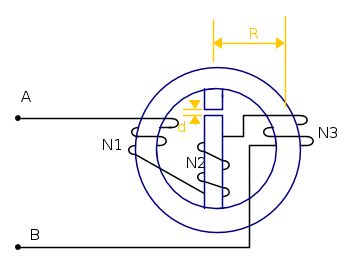
Circuito Magnetico
Ciao a tutti,
come anticipato posto questo tema d'esame, con lo schema corretto, sui circuiti magnetici.
Si richiede di calcolare il coefficente di autoinduzione di A-B.
I dati sono i seguenti:





------------------------------------------------Svolgimento--------------------------------------------
1) Calcolo le riluttanze:
riluttanza dei 2 tratti circolari.
riluttanza del tratto centrale, approssimata.
traferro

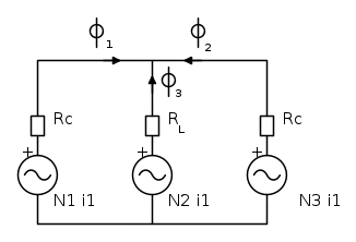
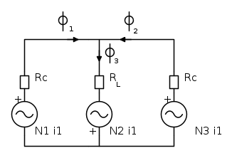
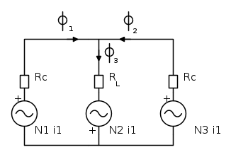
2) il circuito equivalente è:
3) leggi di kirchhoff:



Messo tutto nel Deriva ottengo:


4) Il flusso concatenato è:

Cosi ricavo che:

Come vi pare?
Gli eventuali errori sono imputabili a
pinklady che mi distrae, vero
RenzoDF?
ahahahhahahahahhaha
Scherzo
come anticipato posto questo tema d'esame, con lo schema corretto, sui circuiti magnetici.
Si richiede di calcolare il coefficente di autoinduzione di A-B.
I dati sono i seguenti:





------------------------------------------------Svolgimento--------------------------------------------
1) Calcolo le riluttanze:
riluttanza dei 2 tratti circolari.
riluttanza del tratto centrale, approssimata.
traferro
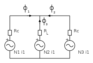
2) il circuito equivalente è:
3) leggi di kirchhoff:



Messo tutto nel Deriva ottengo:


4) Il flusso concatenato è:

Cosi ricavo che:

Come vi pare?
Gli eventuali errori sono imputabili a
ahahahhahahahahhaha
Scherzo







e sommarla alla lunghezza del ferro, in modo da calcolare la riluttanza complessiva.
e hanno anche rami a riluttanza identica.

