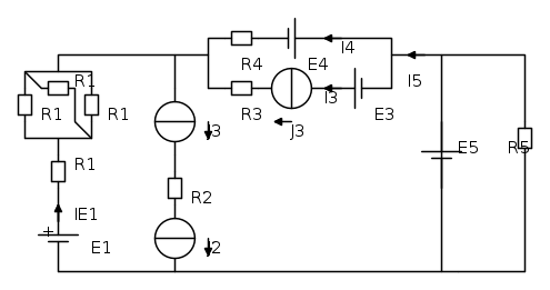
Elettrotecnica Ing. Chimica (4)
Dati:




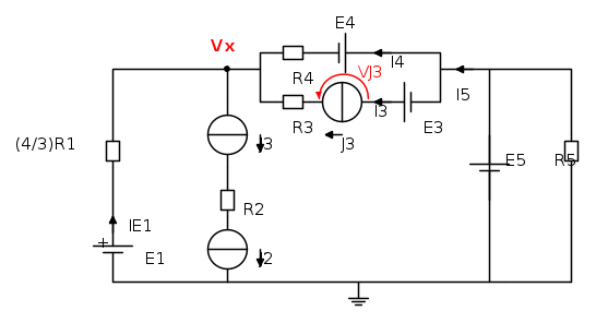
Si chiede di determinare la tensione
del generatore
e la corrente 
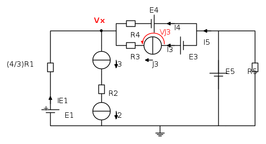
Ora, questo esercizio sembra simile a quello di un post precedente.
Allora ragiono così per il calcolo della tensione
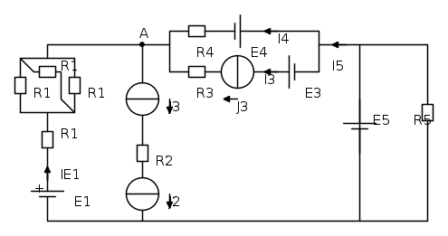
; considero la maglia elementare superiore e scrivo l'equazione di Kirchhoff alla maglia (ipotizzando di percorrerla in modo antiorario):
Dove si hanno come incognite le correnti
. Per trovarle potrei impostare l'equazione (ad esempio al nodo di dx) di Kirchhoff al nodo:ma qui trovo una difficoltà, non riesco cioè a trovare e/o a vedere le correnti che entrano nella maglia. Provo così:

Non riesco cioè a descrivere

Mi potete aiutare?
Grazie



, la tensione
la puoi calcolare nel seguente modo...



?!?